Какие данные нужны для расчета?
Традиционный расчет контура выполняется для труб с диаметром 16мм, но схема для любого размера трубы остается той же: считаются по длине петли, по которым будет двигаться носитель тепла.
Собираются исходные данные:
- Желаемая температура над полом:
- Схема укладки контура;
- Расстояние между элементами трубопровода;
- Максимальная длина используемой трубы;
- Число используемых контуров с разной длиной;
- Возможность присоединения петель к одному насосу и коллектору, число такие соединений.
Расстояние между трубами в контуре
По периметру помещения контур с греющими элементами укладывается с шагом 0,1 м. В остальном пространстве принято считать шаг от 0,15 до 0,25м. Если превысить максимальный показатель, то при ходьбе владельца по напольному покрытию будет ощущаться сильная разница температур, что крайне неприятно.
Допустимая длина контура
Показатель зависит от параметров давления в петле и сопротивления гидравлики – их определяет количество теплоносителя, проходящего через определенный диаметр трубы за единицу времени.
Когда обустраивается тёплый пол, циркуляция воды в одной из петель нарушается, и восстановить ее не удается даже циркуляционным насосом. Теплоноситель оказывается запертым в контуре, остывает, снижает давление до 0,2 бар.
Специалисты рекомендуют следующие размеры в контуре:
- Петля из металлопластика в 16 мм диаметром может быть до 100 метров. Оптимальным значением считается 80 м;
- Трубы из полиэтилена диаметров в 18 мм могут образовывать петли до 120м (лучше 80…100м);
- Труба из металлопластика в 20мм диаметром допускает петли в 125 метров. Чем меньше будет в этом случае длина, тем надежнее и стабильнее прогнозируется работа системы.
Как рассчитать контуры с разной длиной?
Иногда теплый пол делается с несколькими контурами. В идеале они должны быть равны по длине, тогда балансировать систему не придется. На практике подобная схема практически неосуществима даже опытными специалистами.
Для расчета трубопровода в разных комнатах учитывается разница в длине каждого из контуров до 40%. Рекомендуется варьировать диаметры труб и менять шаг их укладки, что позволит компенсировать длины петель.
Возможность подсоединения к одному насосу и коллектору
Число подключаемых к коллектору и насосу петель можно узнать по мощности оборудования, трубам (диаметры и материал изготовления), числу контуров, метражу комнаты, а также материалу, из которого сделаны все конструкции ограждающего типа.
Самостоятельно с такими вычислениями справиться сложно, поэтому на этом этапе стоит привлечь профессионалов, у которых достаточно опыта и знаний в расчетах проектов теплых полов.
Как посчитать петлю?
После сбора исходных данных и определения оптимального варианта теплых полов, приступают к вычислению максимальной длины контура водяного теплого пола:
Подобные расчеты позволяют создать системы нагрева полов с достаточной мощностью для регулирования и поддержания заданной владельцем температуры в жилой комнате. Считая длину труб в нескольких контурах для большого дома, предполагая их соединение с одним коллектором, стоит обратиться к проектировщикам с опытом выполнения подобных работ.
Какая температура должна быть в комнатах частного дома?
Расчет длины трубопровода в теплых полах важен для скорости нагрева и достаточного выделения тепла. Внутри помещения должна поддерживаться стабильная температура, для чего теплоноситель прогревается до 60 градусов тепла. Если это значение будет превышено, то материалы коммуникаций могут пострадать.
Значения теплового комфорта для жилых помещений частного дома должны быть примерно следующие:
- В комнатах нужно поддерживать от 27 градусов до 29 градусов тепла;
- Коридор или прихожая (все проходные места) – 35 градусов тепла;
- Ванные и места с высокой влажностью – до 33 градусов тепла.
Сборка своими руками
Перед выполнением монтажа отопления своими руками проводят сборочные работы:
- Проверить материалы на целостность, так как монтировать повреждённые элементы запрещено.
- Провести замеры интервалов коммуникаций, а затем нарезать их по размерам с учётом крепления к ним фитингов, радиаторов, запорной арматуры.
- Выполнить сочленение участков коммуникаций, учитывая особенности монтажа.
Необходимые инструменты и материалы
Чтобы провести отопление в частном доме, необходимо заранее подготовить следующие инструменты:
- рулетку, строительный уровень;
- режущий инструмент;
- маркер;
- герметик или герметизирующую ленту;
- дрель или перфоратор;
- сварочный аппарат;
- разводной ключ;
- нож.
Кроме того, потребуются такие материалы:
- трубы;
- набор поворотных и соединительных элементов;
- крепежи;
- запорная арматура.
Инструмент для монтажа
Расчёты
Для создания надёжной системы отопления необходимо рассчитать следующие параметры:
- максимальную температуру;
- давление теплоносителя;
- толщину стенок, внешний диаметр коммуникаций;
- определить расстояние от котла до потребителей, чтобы подобрать его параметры;
- коэффициент безопасности;
- длительность непрерывной работы отопительной системы.
Порядок выполнения работ
Выполнять установку труб отопления нужно в такой последовательности:
- Выполняется разметка стен под скрытую укладку коммуникаций или под внешние крепления с учётом заранее разработанного плана.
- Подготавливаются каналы для укладки или монтаж креплений к стенкам.
- Проводится монтаж отопления пластиковыми, металлопластиковыми или металлическими трубами в соответствии со строительными нормами.
- Выполняется внешний осмотр конструкции на наличие дефектов.
- После монтажа проводится тестирование системы с рабочими параметрами.
- При выявлении течей или недоработок выполняется их устранение.
Возможные ошибки
При монтаже труб системы отопления могут быть допущены такие ошибки:
- не предусмотрена компенсация теплового расширения, в результате чего происходит деформация или разгерметизация стыков;
- материалы подобраны неправильно или имеют дефекты;
- негерметичное соединение;
- несущие конструкции не выдерживают вес коммуникаций.
Стоит также понимать, что не всегда удаётся на ранних этапах сборки и эксплуатации выявить все дефекты. Поэтому лучше привлечь специалистов, которые выполнят сборочные, тестовые работы.
Рейтинг труб для водяного теплого пола
Устройство водяного теплого пола – дело кропотливое требующее определенных знаний и навыков. Правильно смонтированная напольная система отличается большой надежностью, экономичностью и «добросовестно» обогревает дом или квартиру в течении нескольких десятков лет. Продолжительность срока службы напольной системы во многом зависит от высокого качества трубного комплекта, которую могут предоставить только известные производители с доброй репутацией.
Рейтинг известных производителей труб для устройства водяного пола:
- Первое место принадлежит признанному лидеру продукции для отопления и водопровода – торговой марке «Uponor» Финляндия. Продукция фирмы славится качеством, проверенным многолетней практикой и исключительной простотой монтажа.
- Второе место занимаю известные бренды немецкие «Wieland», « Rehau», «Aquatherm». Фирма Виланд –известный производитель труб из чистой меди, которые характеризуются лучшим качеством, эффективностью и долговечностью. По отзывам покупателей фирма «Rehau» изготавливает самые лучшие в мире трубы из сшитого полиэтилена с кислородной защитой, гарантирующей срок эксплуатации от 50 до 100 лет. Предприятие Акватерм специализируется на выпуске продукции высокого качества из полиэтилена повышенной термостойкости и полибутена. Фирма дает гарантию на 10 лет на свою продукцию, хотя по факту теплые полы из этой продукции безотказно служат в течении полувека.
- Третье принадлежит итальянской фирме «Prandelli». О продукции этого известного европейского бренда можно услышать отзывы «Дорого, зато надежно». Производитель Пранделли выпускает единственные в мире двухслойные полиэтиленовые трубы «Prandelli Multyrama» с внутренней тонкой алюминиевой трубкой толщиной 0,2 мм. Продукция высоко оценивается специалистами за высокую устойчивость к кислородным окислителям, алюмелевая прослойка служит отличным компенсатором температурного расширения и препятствует проникновению кислорода в горячий теплоноситель.
- На четвертом месте находится фирма «Henco» Бельгия – европейский производитель многослойных металлопластиковых изделий. Продукция выполнена из сваренной встык алюминиевой трубы с тонкими стенками от 0,4 до 1,2 мм. Внешняя и внутренняя оболочка выполнена из полиэтилена PE-Xc.
- На пятом место находится известный в Европе производитель из Чехии «Wavin Ekoplastik» с хорошим соотношением цены и качества. Для напольных систем обогрева фирма выпускает полипропиленовые трубы PP-RCТ из полипропилена 4 поколения, характеризующего высокой прочностью и термостойкостью с увеличенной температурой плавления до 170 градусов. Из изделий этого класса можно создавать необходимую конфигурацию напольного контура. Минимальная толщина стенок положительно влияет на пропускную способность системы
- Шестой место занимаю линейка отечественных заводов-изготовителей «Neptun», «Sanext», «Valtec», выпускающим продукцию европейского качества. Российская фирма ССТ (бренд Нептун) обладает уникальным производством по выпуску гофрированным стальных труб из нержавейки. Фирма выпускает полный комплект для теплых полов и предоставляет на свою продукцию «вечную» гарантию. Фирма Sanext специализируется на выпуске полимерных труб из сшитого полиэтилена PE-Xa. Производственные мощности фирмы Вальтек расположены в Италии, на которых выпускается металлополимерные трубы из высокопрочного полиэтилена PE-RT.
На заметку: Продукция российских фирм ни в чем не уступает зарубежным конкурентам и выгодно отличается от западных заводов-изготовителей доступной ценой.
Как выбрать правильный диаметр?
Существует четкое правило: внутренне сечение квартирных труб в не может быть больше, чем у общедомовых стояков. Стандартный диаметр в этом случае составляет 25 мм у хрущевок и МКД более поздних построек, 32 – у сталинок. Но стоит лишний раз измерить внутренне сечение входного патрубка, чем выбрать изделия с меньшим размером. В то же время не следует допускать распространенную ошибку «чем больше диаметр, чем лучше». Полипропиленовые изделия не зарастают внутри и имеют прекрасную проходимость, увеличение размера приводит к снижению давления и плохой теплоотдаче радиаторов.
Для частных домов рекомендуется провести расчет с учетом скорости теплоносителя и величины отопительной нагрузки. С этой целью используются специальные таблицы, помимо стандартного 10 м2 = 1 Квт обязательно предусматривается запас мощности на 20 %. Допускается и рекомендуется уменьшение диаметра по мере снижения тепловой нагрузки. К примеру, на выходе из котла и на первом этаже ставятся трубы максимального размера, на втором, на подводах к радиаторам отдельных веток, в обратной магистрали – примерно на 5 мм меньше. Точное значение определяет тот же расчет.

На практике в частных домах наиболее востребованы изделия из полипропилена с небольшими диаметрами в пределах 20-32 мм, в каждой отдельной ветке отопления они разные. В системах теплых полов используются изделия с минимальным сечением – 16 мм. В индивидуальных контурах обогрева могут встречаться соединения с обвязкой из других материалов (стали, меди, чугуна, пластика), в этом случае для исключения ошибок стоит воспользоваться таблицей соответствия диаметров.
Рекомендации по выбору
Помимо размеров обращается внимание на особенности системы отопления. Для полностью закрытых контуров с котлом или при длительной протяженности развязки требуются трубы со сплошным армированием, не пропускающие кислород
Перфорированную разновидность лучше купить для квартир. Учитывается такая характеристика, как минимальная длительная прочность, она часто указывается на маркировке. Чем выше этот показатель, тем дольше они прослужат. Обязательно проверяется сертификат и качество (гладкость и одинаковая толщина стенок, однородность цвета, отсутствие дефектов, идеальность сечения).

Достоинства и недостатки однотрубных систем
Однотрубная система отопления частного дома имеет несколько весомых положительных качеств:
- Простота. Монтаж и ремонт однотрубного отопления очень часто осуществляется самостоятельно владельцами домов – и все благодаря простоте конструкции.
- Дешевизна. Стоимость элементов системы достаточно низка, что в немалой степени связано с простотой такого отопления. Для обустройства требуется достаточно скромный набор материалов – например, труб потребуется всего два вида (одна для основной магистрали, вторая – для подводок). Вертикальная система, естественно, обойдется дороже, ведь ей требуется два контура трубопровода.
- Возможность модификации. При наличии бюджета систему можно доработать, используя радиаторные термостатические клапаны, позволяющие регулировать температуру каждого отопительного прибора по отдельности. Впрочем, остается популярной и двухтрубная система. Довольно часто схема двухтрубной системы отопления двухэтажного дома позволяет решить многие задачи, с которыми однотрубная не справилась.
Также стоит отметить и основные недостатки однотрубного отопления:
- Каждая последующая батарея получает меньше тепла, что особенно заметно в системах с нижней разводкой.
- Максимальная эффективность системы достигается только при установке циркуляционного насоса, что автоматически делает отопление энергозависимым.
- Эффективность однотрубного отопления снижается при увеличении площади и этажности здания, в котором установлена система.
Расчет гидравлически коротких трубопроводов
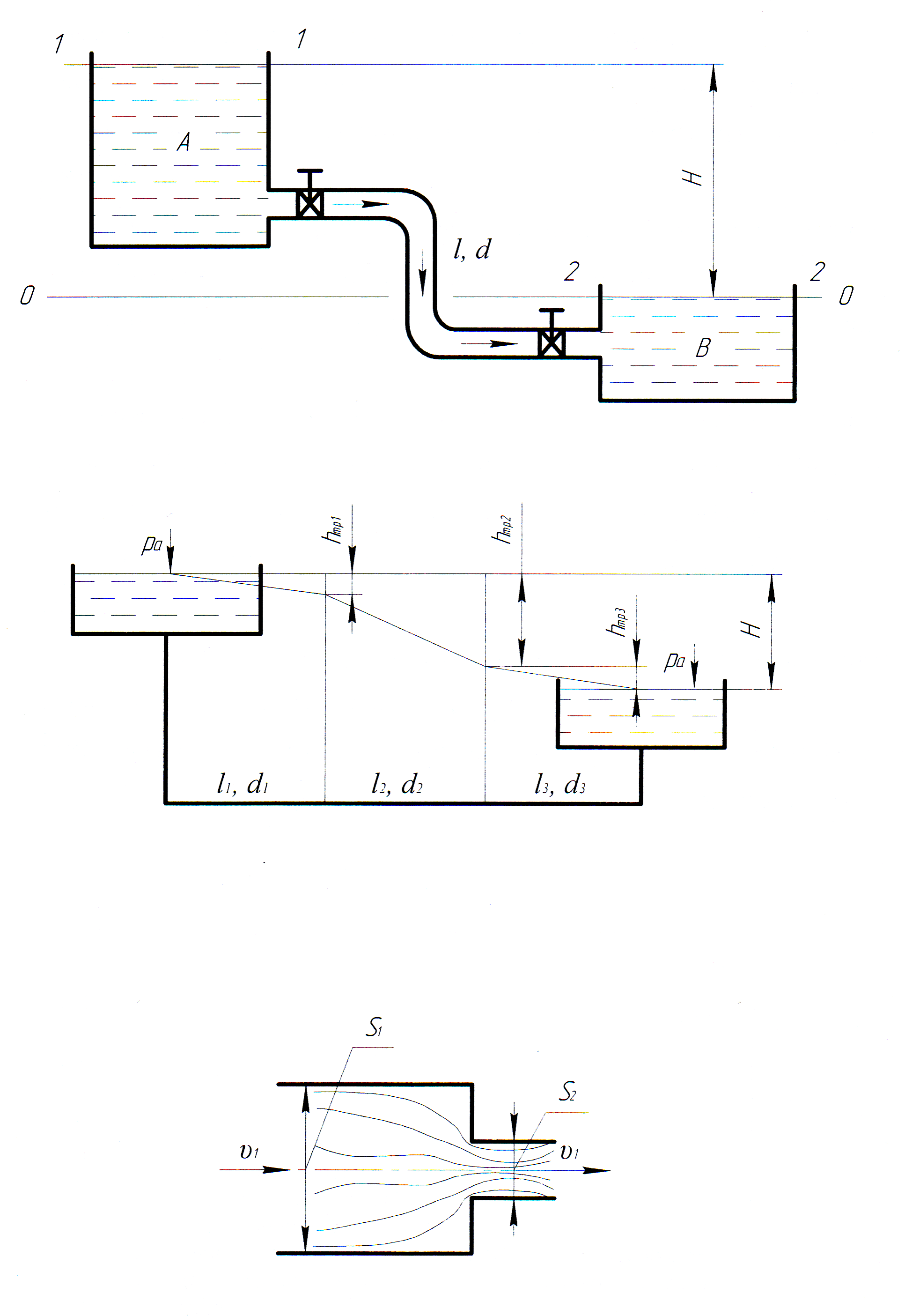
Первый случай:
Истечение жидкости под уровень.

Рис. 43 Схема расчета короткого трубопровода (случай первый)
Жидкость перетекает из А в В. Длина трубы , диаметр


Пренебрегая скоростными напорами и
, уравнение Бернулли имеет вид:
(126)
Потери напора

(127)


(128)
Обозначим

Так как
,
то

(130)
(131)
Обозначим:

тогда
, (132)
где

м
Второй случай:
Истечение жидкости в атмосферу.
Рис. 44 Схема расчета короткого трубопровода (случай второй)
Из уравнения Бернулли для сечений 1 — 1 и 2 — 2, получим
(133)
где
(134)
Подставив, имеем
(135)
Обозначим
,
тогда
(136)
и
(137)
Расход жидкости:
(138)
или
(139)
где
— коэффициент расхода системы.
Пример. Определить расход керосина Т-1 при температуре
, протекающего по трубопроводу из сваренных труб из нержавеющей стали в пункты 1 и 2 (рис. 45), если напор Н в резервуаре постоянный и равный 7,2м. Длина отдельных частей трубопровода
, диаметры:
,
. Местные потери напора в расчетах не учитывать.

Рис. 45. Схема трубопровода с параллельными ветвями
Так как трубы 1 и 2параллельны, то потерянные напоры в этих трубах

или
(140)
По условию задачи размеры параллельных труб, изготовленных из одного материала, одинаковы (

) поэтому
и
Следовательно,
;
(141)
где



Уравнение Бернулли для сечений 0 — 0 и 1 — 1 (см. рис. 45)

Так как
,
,
,
,
то

или
(142)
Уравнение (142) можно решить только графоаналитическим способом. Задаемся разными значениями расхода жидкости в трубопроводе и для этих значений




(143)

По известным величинам







Для керосина Т — 1
,
.
У сварных труб из нержавеющей стали эквивалентная шероховатость
, поэтому относительная эквивалентная шероховатость труб
;
.
По известным величинам






Таблица 5
Расчет гидравлической характеристики трубопроводов
,
2 5 8
,
1,02 2,55 4,09 
2,04 5,10 8,18 
0,032 0,026 0,0245
,
0,053 0,332 0,851
,
0,312 1,54 3,83
,
0,795 1,99 3,19 
1,27 3,18, 5,10 
0,032 0,0285 0,028
,
0,0322 0,202 0,519
,
0,23 1,33 3,34
,
0,574 3,07 7,69
Тонкости монтажа трубопровода
Для монтажа трубопровода из стальных труб необходим сварочный аппарат (для электродуговой или газовой сварки), болгарка, набор гаечных ключей. При этом даже для устройства разъемных муфтовых соединений с резьбовым сгоном необходимо выполнение сварочных работ. Сложность монтажа с использованием продукции стального металлопроката усугубляется необходимостью в квалифицированных сварщике и слесаре.
Трубопровод из полимерных материалов монтируется с использованием компрессионных и обжимных фитингов (для разъемных стыков) или при помощи диффузионной спайки.
Арматура, изготовленная из меди, также собирается с использованием обжимных и компрессионных, а также капиллярных фитингов. Монтаж таких систем в состоянии выполнить один слесарь, которому для работы потребуются расшивка, паяльник и раздвижные ключи. Помимо инструментов, также нужны флюс, припой и фитинги.
Теплопровод из полимеров собирается на обжимные и компрессионные фитинги (для разъемных стыков) и диффузионным спаиванием. Монтаж может выполнить один человек даже без опыта работы. Для соединения необходимо лишь установить фитинг на торце, нагреть стыки специальным агрегатом и плотно прижать их.
№2. Что учитывать при выборе труб отопления?
Нет универсальных труб, которые бы одинаково хорошо функционировали в разных помещениях. Чтобы подобрать лучшие трубы для отопления, т.е
наиболее оптимальные и подходящие в конкретных условиях, необходимо принять во внимание такие факторы:
- температура и давление в системе, которые во многом зависят от того, какое отопление используется, индивидуальное или централизованное. В индивидуальных системах давление редко превышает 2-3 атмосферы, а в централизованных может подниматься до 16 атмосфер;
- тип прокладки труб, наружный или скрытый;
- суммарная площадь отапливаемого жилья;
- проектная мощность котла и тип топлива (для частных домов);
- условия функционирования трубопровода. Имеется в виду наличие на отдельных участках неотапливаемых помещений;
- возможность проведения ремонта.
Все характеристики труб зависят от материала их изготовления – это важнейший параметр, который необходимо учитывать при выборе.

Описание системы отопления циркуляционного типа без насоса
Устройство водяного отопления, работающее самотеком, включает нагревательный элемент (котёл), трубы, прокладываемые разными способами, расширительный бак и радиаторы.
Принцип действия

Роль теплоносителя в контуре играет вода, которая движется по трубам под влиянием термодинамических сил. Принцип действия системы основывается на разнице физических свойств горячей и холодной воды.
Пока работает котёл, в трубах всегда есть горячая вода, которая постепенно остывает, проходя по контуру и отдавая тепло в окружающую среду.
Плотность и масса воды при нагреве уменьшается, поэтому она легко вытесняется вверх остывшей жидкостью.
После достижения верхней точки контура, горячая вода распределяется по трубам, соединённым с радиаторами, отдаёт тепло через материал батарей, а затем по нижней части контура стекает к котлу, где снова нагревается.
Достоинства установки
Основными достоинствами отопительного контура гравитационного типа являются:
- простота установки и использования;
- высокая отдача тепла и стабильность микроклимата помещений;
- экономичность ресурсов при условии качественного утепления строения;
- отсутствие шума;
- полная независимость от электричества;
- редкие поломки и долгий срок службы при условии проведения периодических профилактических мероприятий.
Справка! Сконструировать систему отопления с естественной циркуляцией можно самостоятельно. Правильный расчёт параметров, выбор схемы контура и грамотная установка всех компонентов гарантирует срок работы конструкции до 35 лет.
Главный недостаток — конструкция может отопить частные дома площадью не более 100 м 2 , имеющих радиус около 30 м.

Существует ещё несколько недостатков, ограничивающих применение самотечной конструкции:
- обязательное наличие чердака для установки расширительного бачка;
- медленный обогрев помещений;
- необходимость утепления контура в неотапливаемых местах для предотвращения замерзания воды в трубах.






















,


























