Как делаются расчеты

Функционал любой гидросистемы основан на взаимодействии обратно пропорциональных значений рабочей среды — пропускной способности и давления. Уровень гидравлического сопротивления в трубопроводе создают насосные группы, а пропуск рабочей среды контролируется трубопроводной регулирующей арматурой.
Суть регулировки в том, чтобы повысить или понизить гидродинамическое сопротивление в трубах: на удаленные от теплового узла отопительные приборы его нужно повышать, а на ближние понижать. В расчетах учитывается множество трубных ответвлений, из-за которых скорость циркуляции жидкости снижается.
Задача специалиста — сбалансировать систему так, чтобы в каждом отдельном контуре интенсивность движения теплоносителя достигла определенных значений в зависимости от назначения помещений. То есть, чтобы в них поддерживалась заданная температура. Настроечные значения рассчитываются еще при проектировании. В соответствии с ними подбирается:
- насосное оборудование;
- котлы;
- радиаторы;
- теплообменники;
- измерительные датчики;
- перепускные клапаны, вентили, задвижки.
Если источником тепла является котельная, тогда для расчетов в процессе балансировки будут необходимы ее технические данные.
Способы и последовательность балансировки СО
Провести регулировку можно двумя способами:
- По количеству теплоносителя исходя из расчетных значений по расходу.
- По температуре на каждом отопительном приборе в контуре.
Первый метод применяют, если система отопления выполнена со всеми необходимыми расчетами по расходу теплоносителя на каждом отдельном участке контура. Обычно, такие данные являются неотъемлемой частью проекта. Кроме этого, потребуется наличие регулировочной арматуры на каждом контуре СО и специального прибора для балансировки системы отопления, который подключается к балансировочным вентилям, расположенным на «обратке» каждого контура.
Суть данного способа в определении реального и регулировке необходимого (приближенного к расчетным) расхода теплоносителя.
- Достоинство данного способа: точность.
- Недостатки: сложность реализации и наличие дорогостоящего анализатора.
Второй метод применяют, ели требуемых расчетов для системы отопления произведено не было. Главными приборами, которые будут отвечать за настройку, являются балансировочные краны для системы отопления, которые необходимо будет установить на обратном трубопроводе из каждой батареи. Потребуется поверхностный (можно инфракрасный) термометр, благодаря которому будут производиться замеры температуры поверхностей всех отопительных приборов.
Процесс балансировки СО производится на каждом отопительном приборе каждого контура отдельно. Допустим, в ветке находится ПЯТЬ радиаторов. На самом ближнем (к теплогенератору) отопительном приборе, кран открывается на 1 оборот. На втором – на два и так далее. На последней батарее балансировочный вентиль для системы отопления открывается полностью. Далее производятся замеры температуры на радиаторах, равномерность нагрева которых регулируется поворотами вентилей в ту или другую сторону.
- Достоинства: Простота процесса
- Недостатки: низкая точность балансировки; длительность процедуры замеров температуры благодаря инерционности СО.
Подобная последовательность действий нужна и при балансировке однотрубных СО. Разница лишь в том, что для настройки количества теплоносителя, попадающего в радиаторы, применяются игольчатые вентили.
Существует и третий способ балансировки СО – дроссельными шайбами, установленными либо на подачу, либо на обратку. Шайбы имеют различное проходное сечение, которое рассчитывается для получения расчетного значения расхода теплоносителя. Устанавливаются шайбы во внутреннюю резьбу арматуры.
Выводы. Балансировка необходима для нормального функционирования СО. Делается она после окончания монтажных работ, замены радиаторов и оборудования, изменения конфигурации отопительной системы. Для выполнения настройки требуется специальное оборудование – балансировочные вентили.
Совет: Для максимальной эффективности проведения данных мероприятий, рекомендуется воспользоваться услугами высококвалифицированных специалистов, которые не только выполнят необходимые работы, но и будут нести за них ответственность.
Качественное обустройство отопительной системы не заканчивается монтажом всего необходимого отопительного оборудования – котел, насос, радиатор и т.д. Этого недостаточно для того, чтобы отопление работало эффективно и справлялось с возложенными на него функциями «на ура». Любая система нуждается в грамотной регулировке и настройке, и отопительная не является исключением.
Для того, чтобы вся система работала правильно, ее нужно настроить
Для этого проводится такая процедура, как балансировка. Цель ее – распределить теплоподачу по комнатам так, как необходимо хозяину. Сегодня балансировку можно осуществить, полагаясь только лишь на свои силы, или прибегнув к помощи профессионалов.
Нередко можно встретить одно весьма ошибочное мнение, но достаточно распространенное. Некоторые люди считают, что в балансировке нуждаются только крупные здания, в то время как в частных домах и маленьких строениях она не обязательна. Естественно, это заблуждение. Балансировка является необходимым процессом для всех строений, в которых установлена система отопления, тем более для домов, в которых проживают люди. Если пренебречь ею, то тепло будет направлено на некоторые участки в избыточных количествах, а на других, наоборот, будет ощущаться его недостаток. Основополагающая «миссия» балансировки как раз и заключается в том, чтобы не допустить подобных ситуаций. Вся система – радиаторы, котел и все остальные элементы будут работать как одно целое и равномерно обогревать строение.
Балансировка требуется как для крупных зданий, так и для небольших
Регулирующая трубопроводная арматура
Каждый элемент трубопроводной арматуры является обязательной частью системы и подбирается по определенным характеристикам к тому или иному ее типу. В перечень регулирующих устройств входят:
- регулирующие клапаны;
- расходомеры;
- терморегуляторы;
- гидравлические балансировочные клапаны.
Полнопроходные задвижки, радиаторные термостатические вентили, шаровые краны — регулирующие функции не выполняют, а только полностью перекрывают или открывают проток рабочей среды через какие-либо участки трубопровода. К примеру, для обслуживания или ремонта оборудования, а также в случаях прорывов труб. Перед балансировкой необходимо провести тест: запустить систему с открытыми запорными кранами, чтобы проверить, правильно ли работает насосное оборудование.
Стабилизация давления в системе отопления
Расширение воды в результате нагрева является естественным процессом. В этом показателе давление может превысить критическое значение, что неприемлемо с точки зрения эксплуатации отопления. С целью стабилизации и уменьшения давления на внутренние поверхности труб и радиаторы нужно установить несколько элементов отопления. Отрегулировать систему отопления в частном доме с их помощью будет намного проще и эффективнее.
Регулировка расширительного бака

Расширительный мембранный бак Представляет собой стальную емкость, разделенную на две камеры. Одна из них заполняется водой из системы, а во вторую нагнетается воздух. Значение давления в воздушной равно нормальному в отопительных трубах. В случае превышения этого параметра эластичная мембрана увеличивает объем водяной камеры, тем самым компенсируя тепловое расширение воды.
До того как отрегулировать перепад давления в системе отопления нужно проверить состояние и настройку расширительного бака. Отрегулировать давление в системе отопления можно, приобретя модель бака с возможностью его изменять в воздушной камере. В качестве дополнительной меры устанавливают манометр для визуального контроля этого значения.
Однако при значительном скачке давления этой меры будет недостаточно. Так можно отрегулировать перепад давления в системе отопления в том случае, если оно не превышает критическое значение. Поэтому рекомендуется установка дополнительных устройств.
Как отрегулировать группу безопасности

Группа безопасности отопления Эта группа приборов, включает в себя следующие элементы:
- Манометр. Предназначен для визуального контроля работы системы отопления;
- Воздухоотводчик. В случае превышения температуры воды 100 град избыток пара воздействует на седло клапана устройства, выпуская наружу воздух из труб;
- Предохранительный клапан. Работает так же как и водухоотводчик, но нужен для слива избыточного теплоносителя из труб.
Как отрегулировать радиатор отопления с помощью этого блока? Увы, но он предназначен для предотвращения аварийных ситуаций во всей системе. Для батарей необходимо устанавливать другое устройство.
Кран Маевского
Конструктивно он схож с предохранительным клапаном. Особенностью являются небольшие размеры и возможность монтировать на патрубок радиатора с небольшим диаметром.
Для того чтобы правильно отрегулировать батареи отопления, нужно знать в каких случаях применяется кран Маевского:
- Устранение воздушных пробок в радиаторах. Открыв клапан, выпускается воздух до тех пор, пока не потечет теплоноситель;
- Настройка параметров критического значения давления. При возникновении аварийного расширения воды клапан открывается и происходит стабилизация давления в радиаторе.

Конструкция крана Маевского Последняя функция является дополнительной и чаще всего не применяется. С этой задачей лучше всего справляется группа безопасности. Правильная регулировка отопления в доме должна включать в себя все вышеперечисленные элементы.
Особенности работы с разными видами разводки
Однотрубные системы отопления поддаются балансирующей регулировке наиболее просто. Всё благодаря тому, что суммарный проток через радиатор и связывающий байпас всегда одинаков и не зависит от пропускной способности установленной арматуры. Поэтому в системах типа «Ленинградка» работа ведётся не столько над балансировкой протока, сколько над уравнением количества тепла, выделяемого теплоносителем в радиаторах. Говоря проще, главная цель балансировки в таком случае — обеспечить, чтобы к наиболее удалённому радиатору вода поступала при достаточно высокой температуре.
В двухтрубных тупиковых системах действует несколько иной принцип. Каждый радиатор системы представляет собой своего рода шунт, гидравлическое сопротивление которого ниже, чем у всей остальной группы, расположенной далее по направлению протока. Из-за этого значительная часть теплоносителя протекает через шунт обратно к тепловому узлу, в то время как циркуляция далее по системе имеет гораздо меньшую интенсивность. В таких системах отопления приходится трудиться именно над выравниванием протока в каждом радиаторе путем изменения пропускной способности арматуры.
Двухтрубные попутные системы отопления балансировки не требуют вовсе, но при этом имеют сравнительно высокую материалоёмкость. В этом вся прелесть петли Тихельмана: путь, который проходит теплоноситель в цепи каждого радиатора, примерно одинаков, благодаря чему эквивалентность протока в каждой точке системы поддерживается автоматически. Похожим образом дело обстоит с лучевыми системами отопления и водяным тёплым полом: выравнивание протока выполняется на общем коллекторе по поплавковым расходомерам.
В борьбе за правильные настройки выигрывает искусственный интеллект
Пока что картина вырисовывается мало понятная: и сэкономить хочется — пятая часть коммунальных расходов на отопление! — и тонкостей слишком много. Даже если будет всё сделано грамотно, результат, увы, не гарантирован. «Обычно балансировка проводится перед отопительным сезоном, но в сильные морозы выясняется, что комнаты имеют разную теплозащиту, о чём собственник, как оказалось, забыл предупредить. Домовладелец по своему усмотрению увеличивает расход теплоносителя в холодных помещениях, после чего все работы по настройке системы идут насмарку», — говорит Сергей Орлов (монтажник).
Исправить названный недостаток позволяют специальные компьютерные программы расчета систем отопления, которые, в отличие от ручных методов, учитывают подавляющее большинство факторов. Они с высокой точностью определяют требуемый расход теплоносителя. Остаётся лишь выставить рекомендуемые регулировки балансировочных клапанов. Понятно, что для такого способа балансировки необходимо обладать навыком использования подобных программ расчета, а также иметь в системе специальные балансировочные вентили с градуировкой. Если же в систему были установлены балансировочные клапаны без специальной градуировки, при настройке этих клапанов необходимо будет измерять расход специальными расходомерами, чтобы достигнуть значений расчетных расходов в каждом радиаторе. Всё это вкупе с необходимостью специальной запорной арматуры либо специальной измерительной техники делает процедуру для «новичков» очень сложной.
Но с развитием беспроводной связи и переходом от кнопочных мобильных к смартфонам компьютерный метод балансировки стал проще и доступнее: никакой специальной подготовки не требуется. Первыми его реализовали инженеры Концерна GRUNDFOS: они предложили рынку циркуляционный насос ALPHA3 с модулем связи ALPHA Reader и разработали приложение GRUNDFOS GO Balance для «умных» телефонов и планшетных компьютеров.
Как уверяют домовладельцы, опробовавшие новинку, теперь балансировку можно провести самостоятельно и с высокой точностью. Весь процесс занимает около часа (для домов площадью до 200 кв. м) и проводится в несколько этапов. Сначала нужно смонтировать в системе новый насос и оснастить его модулем связи. Затем следует скачать, установить и запустить бесплатное приложение в непосредственной близости от модуля связи, чтобы смартфон и насос «нашли» друг друга. Далее остаётся лишь следовать простым и понятным инструкциям: программа попросит ввести данные о существующей системе и измерить точный расход теплоносителя на каждом радиаторе. После ввода необходимых сведений утилита рассчитает требуемый расход для каждой батареи, и на экране появятся два значения: текущее и рекомендуемое. Останется лишь отрегулировать балансировочный клапан до совпадения реального расхода с расчётным.
«Необходимость в подобном инструменте назрела уже давно, и специалисты GRUNDFOS стали первыми и единственными, кто предложил такое решение. Ещё до старта продаж нового продукта были размещены предзаказы на всю ближайшую поставку ALPHA3 и Alpha Reader, — рассказывает Екатерина Семёнова («ГРУНДФОС»). — И это неудивительно, ведь, как я уже отметила ранее, хорошо отлаженная система позволяет сэкономить до 20% топлива (газ, уголь, дрова). Кроме того, сами насосы GRUNDFOS серии ALPHA3 отличаются низким потреблением электроэнергии: они на 87% экономичнее обычных установок, за что признаны самыми энергосберегающими в своём классе».
Мобильные технологии — двигатель прогресса. Они помогают нам не только справиться с вполне рядовыми бытовыми вопросами, но и сэкономить. И как знать, возможно, в будущем инженеры порадуют домовладельцев ещё более интеллектуальными решениями.
https://www.youtube.com/embed
Обвязка простых систем отопления
Систему отопления можно назвать простой, если она содержит один прямой контур. Под прямым контуром подразумевается магистраль, в которую теплоноситель подается из котла без изменения начальной температуры. Простыми являются некоторые системы радиаторного отопления. Они могут быть однотрубными, двухтрубными и смешанными. Наиболее практичной разновидностью простого радиаторного отопления является двухтрубная система, базирующаяся на подающей и обратной магистрали.

И если её балансировка выполнена правильно, такая система обеспечит равномерный прогрев радиаторов по всему периметру отопления.
Рассмотрим основные элементы системы и их функции.

Как выбирать оборудование для балансировки
Дроссельное регулирование предполагает наличие клапанов, предварительная настройка которых должна быть в пределах не менее ±40% от номинальных значений. Такое ограничение связано с тем, что фактические изменения напора в системе отопления частного дома при дросселировании не уменьшаются ниже порогового значения в 0,8 от предельно возможного. Дальнейшее снижение напора может привести к возникновению гидроудара в системе отопления и аварийному выходу циркуляционного насоса из строя.
Указанное ограничение присуще главным образом для малоразветвленных систем отопления. При более сложных разводках – двухтрубной и особенно лучевой – возможности дросселирования существенно возрастают. Поэтому напор в таких случаях допустимо уменьшать и на 30%. При монтаже таких систем отопления целесообразно устанавливать насос с напором, большим расчетного. Тогда появляется возможность эксплуатировать насос при меньших значениях напора, что, соответственно, приведет к снижению его энергопотребления.
Термостат для балансировки отопительной системы в доме
Отдельно следует рассмотреть вопрос о рациональном выборе балансировочного и запорного вентилей. Исходным параметром является диаметр трубопровода прокачки теплоносителя в системе отопления. Чем больше размер вентиля, тем грубее настройка системы отопления. Расчеты показывают, что:
- При использовании одного оборота шпинделя у балансировочных кранов для системы отопления, качество и точность балансировки уменьшаются в 2-3 раза.
- Небольшой ход шпинделя приводит к более качественному дросселированию потока теплоносителя. Оптимальным числом являются 3-4 оборота, при большем их количестве точность балансировки уже не изменяется.
Запорные вентили выбираются по показателю их сопротивления: чем оно меньше, тем хуже качество балансировки. Считается, что приборы пригодны для выполнения балансировки, если в процессе их использования реализуется не менее половины полезного хода штока.
Окончательная настройка системы отопления производится непосредственно при балансировке. Измерение давления потока теплоносителя выполняется при помощи манометра.
Работа с лучевой разводкой и теплыми полами

Как уже упоминалось выше, для коллекторной разводки используется несколько иная процедура. Она подходит как для радиаторов, так и для теплых полов — в общем, для балансировки всей системы, подключенной к одному узлу.
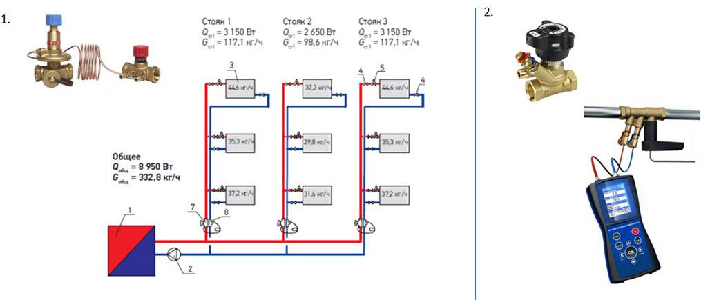
Настройка может осуществляться двумя разными способами. Для первого из них на коллекторе должны иметься ротаметры. Эти элементы представляют собой прозрачные колбы и являются расходомерами. Для балансировки вам потребуется произвести некоторые расчеты. При этом используется следующая формула:
Буквой G в данном случае обозначается массовый расход нагретого теплоносителя, который течет по контуру. Единица измерения — кг/ч. Буква Q обозначает количество тепловой энергии, которая должна выделяться отопительным контуром, оно измеряется в Вт. Что касается Δt, то это разность температур, полученных на входе в петлю контура и на выходе из нее. Расчетное значение данного параметра составляет 10 градусов.
Таким образом, вы можете посчитать, сколько литров нагретого теплоносителя должно проходить через определенный участок контура за минуту. Необходимое количество выделяемого тепла можно посчитать, исходя из стандартных значений. Согласно им, на каждый квадратный метр площади необходимо 100 Вт.
Приведем пример расчета. Допустим, площадь вашей комнаты составляет 20 м 2 . Значит, на ее обогрев необходимо 2 кВт тепловой энергии. Подставляем полученное значение в формулу, приведенную выше, и получаем следующий результат:
На расходомерах значения указываются в л/мин, поэтому необходимо конвертировать значение, поделив полученный показатель на 60. Получается примерно 2,87 л/мин.
После проведения расчетов процедура балансировки осуществляется следующим образом.
- Заполните и опрессуйте отопительный контур. Нагревательный котел можно при этом не включать. А вот циркуляционный насос обязательно требуется запустить.
- Термостатические вентили на второй части коллектора перекройте, это делается вручную с помощью специальных колпачков.
- Теперь откройте первый вентиль. Произведите настройку ротаметра, который ему соответствует, с помощью нижнего кольца — его нужно вращать. Таким образом, задайте определенный уровень расхода теплоносителя.
- После того как разберетесь с первой группой вентиль + расходомер, закройте этот кран и переходите ко второй паре.
- Таким образом, по очереди произведите настройку каждого ротаметра. В завершение откройте их все и проверьте, правильно ли каждое устройство показывает расход теплоносителя.
Если ротаметров нет, то процесс производится по результатам измерения температуры в петлях контура. Процедура в таком случае будет довольно муторной и долгой.
Если вам необходима балансировка не теплого пола, а радиаторов, подключенных с помощью лучевой разводки, то все делается точно так же. Для большей уверенности можно ориентироваться и на коллекторные ротаметры, и на температурные замеры. Уверены, что после прочтения сегодняшней статьи проблем с балансировкой у вас не возникнет. Успехов!
В соответствии с действующим законодательством, Администрация отказывается от каких-либо заверений и гарантий, предоставление которых может иным образом подразумеваться, и отказывается от ответственности в отношении Сайта, Содержимого и его использования. Подробнее: https://seberemont.ru/info/otkaz.html
Статья была полезна? Расскажите друзьям
Методы и последовательность балансировки отопления
Прежде всего необходимо провести диагностику, и только потом начинать что-то делать. Если решили выполнить балансировку системы отопления своими руками, то рекомендуем вам ознакомиться с двумя методами, доступными в домашних условиях.
Первый предполагает настройку по расходу теплоносителя
. Вам понадобится электронный расходомер и регулирующая арматура соответствующего назначения. На обратной ветке устанавливается балансировочный клапан
со встроенными штуцерами, нужны для включения электроники. С помощью расходомера определяем актуальный расход на каждом контуре, предварительно вмонтировав на подводке необходумую арматуру. Анализирующий прибор соединяется с клапаном и регулируется согласно схеме.

Некоторые домовладельцы считают, что вместо регулирующих устройств можно использовать шаровые краны , забывая от том, что они предназначены исключительно для перекрытия труб
. У них всего два положения открытое и закрытое, никаких промежуточных нет. Для этих целей существуют вентили
с различными рабочими диапазонами. Некоторые модели оснащены настроечной шкалой, по которой проводится ручная настройка.

Второй метод
требует больше времени, при этом он не менее точен, хотя и трудозатратен
. Довольно часто балансировка системно не проводилась. Монтировал всё знакомый мастер, и никаких документов и схем он вам не отдал. Здесь придётся ориентироваться на температуру каждого потребителя. Радиаторы снабжают регулировочным вентилем, ставится на выход.

Кроме того, нужен поверхностный термометр. Достаточно приложить такой к любому материалу, он моментально покажет количество градусов.

Весь процесс состоит из трёх этапов. Сначала открываются вентили на мощных батареях
, слабые также участвуют, но только частично. Дело в том, что наиболее точный расчёт получается при последовательном включении.

Допустим, одна ветка содержит 5 батарей
, тогда клапан раскручивается на 4 оборота, от меньшего к большому. Самый последний открываем полностью. Температура на выходах не должна отличаться. Наиболее точных результатов удаётся достичь при измерении температуры на самом вентиле. Повышенная, зазор уменьшаем, пониженная – открываем. Перерыв между замерами должен быть не менее 10 минут
.
Подготовка к балансировке системы отопления
Предварительно всю тепловую сеть частного дома целесообразно разделить на отдельные модули с примерно одинаковыми требованиями к тепловому режиму. Такими модулями могут быть:
- служебные помещения дома – кухня, ванная, санузел;
- спальные помещения, включая и детскую комнату;
- столовые, гостиные;
- помещения для занятий спортом (опционально);
- технические помещения (отапливаемые склады, теплицы).
Выполнение балансировки отопления с помощью регистров
Это – не единственный вариант модульного разграничения. Его можно выполнить и по принципу нахождения помещений на разных уровнях и расстояниях от отопительного котла:
- помещения первого этажа (неугловые);
- помещения первого этажа (угловые);
- помещения второго этажа (неугловые);
- помещения второго этажа (угловые);
- мансардные/чердачные помещения.
Выбор оптимального варианта балансируемых модулей определяется конкретными условиями и планировкой частного дома.
Методы балансировки
наиболее распространены следующие способы балансировки систем отопления:
- по расходу теплоносителя;
- по балансу температур.
По расходу теплоносителя
Это более точный и эффективный способ. Для него потребуется проект трубопроводной системы и оценочный расчет расхода жидкости в каждом ее сегменте. Приблизительный оценочный расчет можно выполнить самостоятельно, для более точного потребуются услуги инженера- теплотехника. На каждом сегменте должна быть смонтирован балансировочный клапан.
Работают с устройством в следующей последовательности:
- клапанами- партнерами вся система отопления разбивается на отдельные участки;
- проводятся замеры через балансировочные клапаны в каждом модуле, определяется фактический расход теплоносителя на участке;
- полученные данные сравниваются с расчетными значениями расхода для данного сегмента;
- проводится регулировка клапанов и повторная серия измерений.
Если доступен ПК с установленной программой, то задача предварительного расчета упрощается:
- данные измерений передаются на ПК, где строится тепловая и гидравлическая модель системы;
- программа выполняет балансировку, выдавая рекомендации по установке каждого клапана;
Далее мощность котла устанавливается равной расчетному значению.

Для балансировки системы отопления мощность котла устанавливается равной расчетному значению
На современном рынке предлагаются также балансировочные модули со встроенным измерителем расхода, позволяющие выполнять грубую настройку расхода жидкости без применения дорогостоящего измерительного устройства. Для неотопительных систем в небольших зданиях такой точности вполне достаточно.
После выполнения балансировки каждый теплообменник (или сегмент сети) будет получать и отдавать в помещение строго определенное количество тепловой энергии, не зависящее от расстояния между радиатором и котлом, этажа и других факторов. Преимуществами гидравлическая балансировки системы отопления являются:
- высокая точность настройки параметров системы;
- возможность сэкономить до 10% энергоресурсов по сравнению с несбалансированной системой;
- устранение шумов потока в ближних к котлу батареях и трубах.
К недостаткам можно отнести:
- высокая стоимость балансировочных клапанов и универсального измерительного устройства;
- необходимость проектной гидравлической схемы с расчетами значений потока в каждом сегменте.
Для сложных отопительных систем, а тем при балансировке системы отопления многоэтажного дома, это единственный способ повысить эффективность системы отопления.
По температуре
Нередко владелец дома, особенно недавно его приобретший, сталкивается с ситуацией, когда дом прогревается неравномерно, топливо расходуется неэффективно, а никакой документации на систему нет. Отсутствуют и тепловые расчеты.
Наиболее простым выходом в таком случае будет регулировка каждого радиатора по температуре поверхности. На каждый теплообменник придется установить регулировочный вентиль с термостатом. Потребуется также пирометр или электронный контактный термометр для измерения температуры батареи.
Работы по балансировке двухтрубной системы отопления проводятся в следующей последовательности:
- на наиболее удаленном от бойлера теплообменнике вентиль открывают полностью;
- проходя по линии трубы от дальнего радиатора к ближнему, вентиль каждого заворачивают на пропорциональное их числу количество оборотов.
- измеряют температуру на выходе каждого теплообменника;
- двигаясь от дальнего к ближнему, прикручивают или откручивают вентиль таким образом, чтобы его температура стала равна предыдущему;
- между регулировкой и измерением нужно делать паузу в 5-10 минут для стабилизации потока теплоносителя.
Достоинствами температурной балансировки являются
- доступность регулировочной арматуры;
- простота регулировки;
- не нужна гидравлическая схема и точные расчеты.
К недостаткам следует отнести:
- низкая точность регулировки;
- меньшая энергоэффективность
- зависимость температурного режима каждого радиатора от параметров всех остальных;
Такой метод применим для балансировки системы отопления своими руками в небольших постройках.




































