Режимы работы конденсационного газового котла
Только специалисты смогут спроектировать системы отопления дома так, чтобы она работала наиболее эффективным образом. Прежде всего необходимо выбрать режим работы котла, от которого будут зависеть почти все параметры системы отопления.

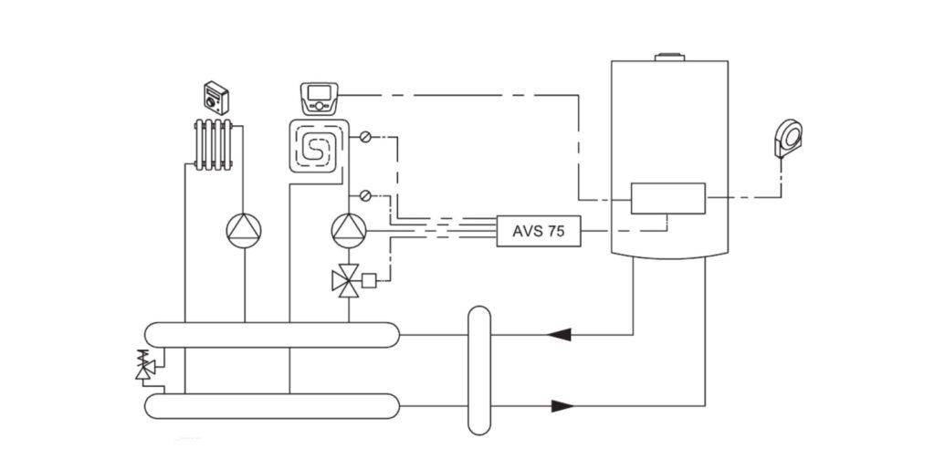
Настенный газовый котел NAVIEN DELUXE PLUS
В разное время суток от отопительного котла требуется разное количество тепла, регулировать которое можно с помощью газовой горелки. Горелки у большинства современных газовых котлов конденсационного типа являются модулируемыми, т.е. с возможностью плавного изменения мощности котла в процессе работы. Горелки, как правило, имеют широкий диапазон модуляции тепловой мощности в пределах 20-100%. Это позволяет легко поддерживать в доме требуемую температуру и экономить дорогостоящее топливо.
Следует отметить, что модулируемые газовые горелки устанавливают и на многие модели обычных котлов.
Конвекционный газовый котел, как правило, работает в режиме 80/60 или 75/60. Где 75 – это температура теплоносителя на выходе из котла, равная 75°С, а 60 – температура теплоносителя 60°С, поступающего в котел после прохождения по всем радиаторам (так называемая обратка). Если температура обратки будет ниже, в котле начнет скапливаться конденсат, на который обычный котел совсем не рассчитан, т.к. точка росы (температура конденсации влаги) находится на уровне около 58°С.
Иное дело котел конденсационного типа. Наиболее эффективен он как раз при низкотемпературных режимах работы, т.к. конденсация в нем только приветствуется. В конденсационных котлах специально понижают температуру теплоносителя до режима 50/30 (выход – 50°С, обратка – 30°С). Именно в этом режиме происходит максимальное извлечение тепла из продуктов сгорания газа и тепла за счет конденсации водяных паров. И тут возникает вопрос, как спроектировать систему отопления, чтобы котел мог работать в режиме, близком к 50/30, а хозяева при этом получали столько тепла, сколько им надо.
Понятно, что при применении обычного котла лучше всего отапливать дом с помощью радиаторов. А вот для конденсационного котла многие предлагают использовать систему «водяной теплый пол». Именно с помощью водяных теплых полов можно заставить котел конденсационного типа использовать энергию от конденсации водяных паров весь отопительный период и обеспечить максимальную экономию газа.
Но если по каким-то причинам установить водяной теплый пол вы не сможете, конденсационный котел все же окажется неплохим решением для обустройства отопительной системы. Попробуем это доказать. На большей части территории страны и смежных государств в зимний период суровые холода держатся относительно недолго – до 10 дней. Да, в это время придется «гонять» ваш конденсационный котел в обычном высокотемпературном режиме, без конденсации, что вполне допустимо, т.к. КПД этого котла все равно будет на уровне 93-97%. Это больше, чем у лучших моделей традиционных котлов. Зато в остальное время зимы конденсационный котел сможет работать при меньшем температурном режиме и в режиме частичной конденсации.

Зависимость КПД котла от режима работы
Специалисты предлагают маленькие хитрости, позволяющие настроить режим работы конденсационного котла так, чтобы и КПД сохранить выше 100%, и на топливе сэкономить, и тепло в доме обеспечить. Например, изначально проектировать систему отопления не для оптимального режима 50/30, а для режима 60/40. Тогда расход газа будет немного больше, зато и в холода мерзнуть не придется.
Есть и другие варианты – к примеру, установить в доме дополнительные радиаторы, с увеличенной в 2,5-3 раза полезной площадью поверхности, рассчитанные на температуру теплоносителя не выше 50°C. Но в этом случае увеличатся капитальные затраты. Хотя эксплуатационные расходы на топливо снизятся. Что лучше – решать только вам.
Какую фирму выбрать?
Лидеры на российском рынке газового оборудования:
- Vaillant (Германия). Выпускает котлы как с открытой, так и закрытой камерой сгорания; конденсационные и конвекционные. Агрегаты работают на природном и сжиженном газе, управляются интеллектуальной автоматикой. Недостатки — высокая стоимость и дорогое сервисное обслуживание.
- Buderus (Германия). Производит котлы с высоким КПД (95-109 %) и теплообменниками из чугуна. Агрегатами просто управлять. Недостатки — энергозависимость.
- Viessmann (Германия). Большое разнообразие моделей с КПД 93-105 %. Оборудование экологично и работает бесшумно. Недостатки — высокая цена и дорогой сервис.
- Ariston (Италия). В ассортименте представлены модели с электронным и ручным управлением. Теплообменники изготовлены из меди. Недостаток — шум при работе котлов.
- BAXI (Италия — Россия). Огромный выбор моделей. Котлы в режиме отопления поддерживают функцию «тёплые полы». Недостаток — автоматика чувствительна к качеству электроснабжения.
- Navien (Южная Корея). Модели адаптированы для России. Есть котлы с русскоязычным меню. Стоят дешевле европейских аналогов. Недостаток — недолговечные пульты ДУ.
- Лемакс (Россия). Простые модели с защитой от накипи и коррозии. Для управления горелками используется итальянская автоматика. Демократичная цена и доступное сервисное обслуживание. Недостаток — минимум функциональности.
Рекомендации по выбору
Принцип работы конденсационного котла.
Чтобы повысить эффективность газового котла, придуман поэтапный нагрев жидкости в системе отопления.
- Сначала теплоноситель подготавливается в конденсационной камере. Тепловая энергия возникает вследствие конденсации паров из продуктов горения газа. В обычных котлах это тепло уходит в трубу.
- На втором этапе в теплообменнике происходит нагрев жидкости (вода или антифриз) за счет сгорания голубого топлива. Благодаря предварительному повышению температуры теплоносителя в конденсационной камере экономия топлива достигает 20%.
- Плюсы и минусы конденсационных котлов. При покупке конденсационного котла следует учитывать достоинства и недостатки такого оборудования.
Главными плюсами современных отопительных приборов специалисты считают:
- высокий КПД;
- низкое потребление газа;
- снижение нагрузки на все узлы и детали котла;
- возможность работы в качестве конвекционного оборудования (в случае сбоев в сети).
- К слабым сторонам конденсационных моделей следует отнести:
- необходимость создания определенных условий;
- утилизация конденсата;
- высокая цена.
Разновидности
. Конденсационные газовые котлы бывают нескольких типов.
- По количеству подключаемых контуров различают одно- и двухконтурные модели. Первые позволяют обогревать только систему отопления, вторые предназначены для одновременного подогрева теплоносителя и организации горячего водоснабжения.
- Монтировать конденсационные газовые котлы можно на пол или на стену. Настенное оборудование выглядит компактнее и легче, напольные конструкции обладают максимальной мощностью.
Материал теплообменника.
В самой агрессивной обстановке находится такой узел газового котла, как теплообменник. Его долговечность зависит от металла или сплава, из которого он изготовлен.
- Традиционным материалом для изготовления теплообменников является чугун. Он чувствителен к перепадам температур, при сильных колебаниях конструкция может треснуть. При этом чугунные теплообменники достаточно устойчивы к коррозии, они отличаются долговечностью и надежностью.
- Алюминиевые теплообменники выделяются легкостью и компактными размерами. Материал подвержен коррозии, на стенках со временем образуется налет солей, который необходимо периодически удалять.
- Медные теплообменники сочетают легкость, компактные размеры и хорошую теплоотдачу. Они долго противостоят коррозии, но изнашиваются быстрее, чем стальные или чугунные конструкции.
- Теплообменники из нержавейки не боятся коррозии, внутренняя поверхность всегда остается чистой благодаря самоочищению конденсатом. Но стоимость котлов с теплообменниками из нержавеющей стали будет высокой.
Комплектация
. Конденсационные газовые котлы относятся к дорогостоящему оборудованию. Поэтому понятно желание потенциальных покупателей сэкономить. Однако следует учитывать не только цену прибора, но и его комплектацию. Покупка таких элементов, как циркуляционный насос, расширительный бачок, воздухоотводчик приведет к серьезным дополнительным затратам.
Редакция журнала expertology совместно с аналитиками сервиса rankquality.com отобрала в обзор 12 лучших газовых котлов конденсационного типа. Приобрести эти модели можно в специализированных магазинах страны. При распределении итоговых позиций отправной точкой стало мнение экспертного сообщества, также учитывались отзывы российских пользователей.
Что такое конденсаторные котлы?

Вид оборудования представляет собой видоизмененный газовый котел конвекционного типа. Энергоносителем выступает газ, поступающий по централизованному трубопроводу или баллонный. Отличие в том, что газовые конденсационные котлы отопления используют все виды тепловой энергии – открытую и закрытую. Открытая образуется при сгорании газа, закрытая – энергия нагретого конденсата.
Конструктивно котлы состоят из следующих деталей:
- Газовая горелка, размещенная в камере сгорания закрытого типа.
- Теплообменник. Цилиндрическая форма элемента быстрее прогревает воду за счет увеличенной площади соприкосновения.
- Емкость для сбора конденсата, куда транспортируется теплоноситель после охлаждения отводимых масс воздуха. Парообразная субстанция отдает тепло жидкости, затем через специальное устройство слива конденсат попадает в емкость.
Принцип работы котлов, их достоинства и недостатки

Теплообменник агрегатов служит для перехода субстанции из газового состояния в конденсат. В процессе высвобождается большое количество тепловой энергии, собираемой для прогрева теплоносителя. КПД оборудования 109% – это выше, чем у любого другого устройства.
Высокий КПД объясняется принципом работы. В стандартных газовых котлах используется тепло от сжигаемого газа, в теплообменнике поток жидкости остывает до +140 С, пониженные температуры уменьшают тягу, вызывают образование конденсата, который может служить причиной появления ржавчины на металлических деталях. Поэтому тепловая энергия от выпадающего конденсата не используется, а конденсатные котлы отбирают все тепло, за счет чего повышается КПД.
Для забора теплоэнергии оборудование имеет два теплообменника. Первый работает по стандартной схеме – пропускает тепловые потоки без охлаждения ниже точки росы, второй охлаждает продукты сгорания ниже точки росы, попутно забирая тепловую энергию. Таким образом, водяной пар оседает на стенках второго теплообменного элемента, передает всю энергию воды.
Получается, что конденсатный котел – один из самых экономичных видов отопительных приборов с высоким КПД, за счет чего тепло сохраняется в помещении достаточно долго. Специальные горелки работают так, что топливо сгорает полностью, количество выбросов самое минимальное.
К достоинствам отопительных приборов относят:
- облегченный вес;
- компактность;
- низкий уровень шума;
- минимальную вибрацию при работе;
- возможность каскадной установки оборудования;
- экономичность – за сезон затраты на топливо снижаются на 35%;
- экологичность за счет полного сгорания энергоносителя, использования всей тепловой энергии.
Что касается недостатков, то он один – оборудование стоит дорого, примерно на 30-80% больше, чем стандартные газовые котлы. Однако при соблюдении условий эксплуатации агрегаты прослужат достаточно долго, вложения за счет уменьшения затрат на топливо окупаются примерно за 2-3 сезона.

Особенности работы приборов:
- Большое количество конденсата, который нужно утилизировать. В течение 24 часов котел мощностью до 35 кВт вырабатывает до 30 л воды. Сливать в септик без нейтрализации такую воду нельзя, система нуждается в установке нейтрализующего оборудования.
- Сниженная температура прогрева комнаты. Стандартные отопительные приборы показывают разницу температуры между трубопроводом подачи и обратного тока воды в 75 С и 55 С, а конденсационные модели всего 55 С и 35 С. Такого прогрева недостаточно, может потребоваться дополнительная система, например, контуры теплых полов или врезка большего количества радиаторов.
Принцип работы конденсационного газового теплогенератора
Прежде чем мы расскажем о нюансах конденсационной технологии, отметим, что энергоэффективный, а значит комфортный и экономичный загородный дом — сбалансированное строение. Это означает, что, помимо замкнутого теплоизоляционного контура, все элементы коттеджа, включая инженерную систему, должны быть оптимально подобраны друг к другу
Поэтому так важно выбрать котёл, который хорошо сочетается с низкотемпературной отопительной системой «теплый пол», а также позволит сократить расходы на покупку энергоносителя в долгосрочной перспективе

Сергей БугаевТехнический специалист компании Ariston
В России, в отличие от европейских стран, конденсационные газовые котлы менее распространены. Помимо экологичности и большего комфорта, данный вид оборудования позволяет уменьшить затраты на отопление, т.к. такие котлы работают на 15-20% экономичнее обычных.
Если посмотреть технические характеристики конденсационных газовых котлов, то можно обратить внимание на КПД оборудования — 108-110%. Это противоречит закону сохранения энергии. В то время как, указывая КПД обычного конвекционного котла, производители пишут, что оно составляет 92-95%
Возникают вопросы: откуда появляются эти цифры, и почему конденсационный газовый котёл работает эффективнее традиционного?
В то время как, указывая КПД обычного конвекционного котла, производители пишут, что оно составляет 92-95%. Возникают вопросы: откуда появляются эти цифры, и почему конденсационный газовый котёл работает эффективнее традиционного?
Дело в том, что такой результат получается благодаря методике теплотехнического расчёта, применяемой для обычных газовых котлов, не учитывающей один важный момент испарение/конденсацию. Как известно, при сгорании топлива, например, магистрального газа (метана CH4), выделяется тепловая энергия, а также образуется углекислый газ (CO2), вода (H2O) в виде пара и ряд других химических элементов.
В обычном котле температура дымовых газов после прохождения через теплообменник может доходить до 175-200 °C.
И водяной пар в конвекционном (обычном) теплогенераторе фактически «вылетает в трубу», унося с собой в атмосферу часть теплоты (выработанной энергии). Причём величина этой «потерянной» энергии может доходить до 11%.
Чтобы повысить эффективность работы котла, надо задействовать это тепло до того, как оно уйдёт, и передать его энергию через специальный теплообменник теплоносителю. Для этого нужно охладить дымовые газы до температуры т.н. «точки росы» (около 55 °C), при которой происходит конденсация паров воды с выделением полезной теплоты. Т.е. — задействовать энергию фазового перехода для максимального использования теплотворной способности топлива.

Возвращаемся к методике расчёта. Топливо имеет низшую и высшую теплотворную способность.
- Высшая теплотворная способность топлива — это количество теплоты, выделившейся при его сгорании с учётом энергии водяного пара, содержащегося в дымовых газах.
- Низшая теплотворная способность топлива — это количество выделившейся теплоты без учёта энергии, скрытой в водяном паре.
КПД котла выражается в количестве тепловой энергии, полученной при сгорании топлива и переданной теплоносителю. Причём, указывая КПД теплогенератора, производители могут по умолчанию рассчитать его по методике с применением низшей теплотворной способности топлива. Получается, что реальный коэффициент полезного действия конвекционного теплогенератора на самом деле составляет около 82-85%, а конденсационного (помним об 11% дополнительной теплоты сгорания, которые он может «забрать» из водяного пара) – 93 – 97%.
Отсюда и появляются цифры КПД конденсационного котла, превышающие 100%. Благодаря высокому КПД такой теплогенератор расходует меньше газа, чем обычный котёл.
Сергей Бугаев
Максимальную эффективность конденсационные котлы обеспечивают, если температура обратной линии теплоносителя меньше 55 °C, а это низкотемпературные системы отопления «тёплый пол», «тёплые стены» или системы с увеличенным количеством секций радиаторов. В обычных высокотемпературных системах котёл будет работать в конденсационном режиме. Только в сильные морозы нам придётся поддерживать высокую температуру теплоносителя, в остальное время, при погодозависимом регулировании, температура теплоносителя будет ниже, и за счёт этого в год мы сэкономим 5-7%.
Максимально возможная (теоретическая) экономия энергии при использовании теплоты конденсации составляет:
- при сгорании природного газа – 11%;
- при сгорании сжиженного газа (пропан-бутан) – 9%;
- при сгорании дизельного топлива (солярки) – 6%.
Требования к системе отопления
Прежде, чем с нуля заниматься монтажом оборудования для отопления, необходимо иметь на руках полный пакет документов, включающий план с системой распределения, а также соответствующими инженерными расчетами.

Если у вас уже имелся, допустим, одноконтурный котел, то практически не составит никого труда заменить его на такой же конденсаторный вариант, только двухконтурный.
Может возникнуть такая ситуация, что вы полностью захотите заменить систему отопления, с обычной на конденсационную. Для этого, разумеется, потребуются дополнительные материальные вложения. Основные расходы возьмет на себя сам конденсатник. Однако, монтаж и установка уже не будут такими затратными.
При смене системы отопления на рассматриваемый вариант, может потребоваться замена дымохода. Ведь специфика отработанных газов данного котла такова, что они обязательно должны отводиться через трубы из определенного материала изготовления.
Для того, чтобы избежать лишних трат, можно модернизировать имеющийся вариант дымохода, применив гильзование одно стенной трубой из нержавейки, а также отвода из пластиковой трубы.
Образование конденсата
Отмечается, что при работе конденсационного устройства мощностью 24 кВт, включенном на низкотемпературный режим, имеющем нагрузку 50%, оно дает около 40 литров конденсата в сутки.
Утилизировать кислоту из конденсата прямо в почву не разрешается, так как может образоваться «мертвое пятно». Конденсат низкой концентрации возможно сливать в канализацию, при этом разбавляя примерно 10:1 или 25:1.
Если в доме имеется автономная канализация, а также котел, работающий в полную мощь, то рекомендуют проводит процедуру нейтрализации. Для этого жидкость пропускают через специальный резервуар, заполненный мраморной крошкой. И только после этого сливают.
Требования к дымоходу
Для отвода отработанных веществ вместе с данными отопительными устройствами используются дымоходы облегченных конструкций или коаксиальные (труба внутри трубы).
Подобная дымоходная конструкция, одновременно с выводом дыма, засасывает воздух с улицы. Это позволяет агрегату не забирать чистый воздух из помещения, что одновременно повышает КПД.
Монтаж дымохода производится под небольшим углом наклона для того, чтобы избежать попадания кислотных соединений внутрь котла.
Разновидности оборудования
По типу установки выделяют 2 вида конденсационных котлов:
- Настенные – подходят в тех случаях, когда нужно экономить место в комнате, так как размеры устройства небольшие, а вес не превышает 50 кг. Циркуляционный насос и расширительный бак встроены в агрегат.
- Напольные – имеют большую массу и габариты. Дополнительные приспособления устанавливаются отдельно рядом, из-за чего котел становится еще более громоздким. Конструкция простая, но обвязка сложная. Имеют мощность выше 1000 кВт, поэтому их используют в крупных цехах и на заводах.
Все настенные и напольные газовые котлы можно подразделить на следующие виды:
- Одноконтурные – имеют один теплообменник, который функционирует на отопление дома. Чтобы получать горячую воду, придется приобрести бойлер и установить его рядом с агрегатом. Отличаются малой мощностью и простотой конструкции.
- Двухконтурные – устанавливаются только на пол. Имеют два теплообменника, один из которых предназначен для ГВС, а другой – для отопления. Есть встроенный трехходовой клапан, регулирующий поток жидкости. Однако если кто-то открывает кран горячей воды, то работа отопительного контура моментально прекращается, и агрегат будет функционировать только на ГВС.

По типу исполнения камеры сгорания котлы бывают следующих видов:
- Открытые – воздух поступает из помещения, а выхлопные продукты удаляются на улицу через дымоход. Такой тип камеры требует обеспечения хорошей вентиляции в комнате. Длина трубы должна быть более 4 м.
- Закрытые – воздух в камеру поступает с улицы, и туда же отправляются продукты сгорания. Для этого сооружают специальный дымоход коаксиального типа: одна труба, вложенная в другую. Внутренняя отвечает за поступление атмосферного воздуха в котел, а внешняя – за вывод выхлопных продуктов. Преимущество агрегатов с такой камерой заключается в том, что они не требовательны к качеству вентиляции в помещении.
Теплообменник конденсационного котла
На данный момент существует достаточно большое разнообразие конструктивных решений в данной сфере у различных производителей котельного оборудования. Как относящихся к геометрии теплообменника, так и к используемым материалам. При более детальном рассмотрении можно выделить три основных направления, в которых ведутся разработки:
- Повышение количества образующегося конденсата;
- Повышение общей эффективности теплообменника (передача излучения от горящего топлива и тепла от дымовых газов);
- Обеспечение устойчивости оборудования к кислотному составу конденсата.
Ранее в конденсационных котлах использовалось два теплообменника — один для первичного охлаждения дымовых газов (неустойчивый к конденсату), и дополнительный для обеспечения конденсации паров воды, так называемый экономайзер. Такая конструкция до сих пор встречается в котлах больших мощностей (порядка нескольких мегаватт) и в устаревших моделях котлов малой (до 100 кВт) и средней (до 2 МВт) мощности.

В современных котлах используется один теплообменник отвечающий за два первых пункта из списка выше:

Устойчивость к кислотному конденсату обеспечивается за счет применяемых материалов. На сегодняшний день используют два типа материалов — высококачественные нержавеющие стали и сплавы алюминия с кремнием и магнием в качестве легирующих добавок (далее для краткости будем обозначать их как просто алюминий).

Каждый из указанных материалов имеет свои сильные и слабые стороны. Плюсы алюминия — высокая теплопроводность, малая плотность, возможность формовки литьем; сильные стороны нержавеющей стали — высокая механическая прочность, крайне высокая коррозионная устойчивость как к кислотным так и к щелочным средам, гладкая поверхность деталей.
С точки зрения устойчивости к конденсату алюминиевые теплообменники прекрасно себя проявляют во взаимодействии с азотной кислотой — при контакте с ней поверхность алюминия пассивируется, то есть образуется защитная пленка — так же как при нахождении алюминия в воздухе. Но при этом такие теплообменники крайне уязвимы даже к малым концентрациям серной кислоты, причем при контакте с ней защитная пленка разрушается и начинается взаимодействие с азотной кислотой. В большинстве случаев данный фактор не имеет критического значения в силу малого содержания серы в топливе, но в долгосрочной перспективе снижает срок службы теплообменника. Нержавеющая сталь соответствующих марок воздействию кислот не подвержена.
Как было отмечено выше, снижение температуры дымовых газов до точки росы — необходимое условие для образования конденсата и съема соответствующей тепловой энергии. Достигается это снижение за счет подачи в теплообменник обратного теплоносителя низкой температуры. Однако, не стоит полагать, что при соблюдении данного условия весь водяной пар, содержащийся в продуктах сгорания, конденсируется. Дело в том, что конденсация происходит только при непосредственном контакте дымовых газов с поверхностями теплообмена, соответственно, при равной температуре обратного теплоносителя эффективность образования конденсата сильно зависит от геометрии теплообменника.
Таким образом, главная инженерная задача при проектировании теплообменника с точки зрения повышения количества образующегося конденсата — увеличение поверхности контакта с дымовыми газами и обеспечение их качественного перемешивания в процессе прохождения через дымовой тракт (для отвода уже осушенных газов от теплообменных поверхностей). При этом необходимо придерживаться разумных аэродинамических потерь в теплообменнике. Поддержание баланса между всеми перечисленными требованиями делает проектирование геометрии теплообменника конденсационного котла достаточно сложной и интересной задачей.
При изготовлении теплообменника из алюминия указанные задачи решаются за счет внутреннего оребрения (по дымовому тракту).
Основной конструктивный элемент теплообменников из нержавеющей стали — трубки. Выполненные либо в форме спирали, либо в виде прямых отрезков с коллекторами.

| Спиральная конструкция наиболее распространена, но подвержена засорению при использовании недостаточно качественного теплоносителя. Происходит это за счет центробежных эффектов при движении воды по трубкам. Причем механическая чистка таких засорений невозможна, а химическая, зачастую, не приводит к успеху. И в том и в другом случае суммарная площадь поверхности стальных трубок достаточно велика. |






































