Создание вентиляции и запуск оборудования

Чертёж для установки газового котла.
На следующем этапе следует подумать о создании вентиляции и дымохода. Вентиляционный ход должен быть прочищен и выведен на улицу с помощью трубы. Ее высота должна быть на уровне с коньком крыши. Минимальное значение высоты трубы составляет 10 градусов ниже уровня конька. Только так будет обеспечена достаточная тяга.
Вентиляция котельных помещений имеет приточный характер. Для обеспечения эффективного притока воздуха необходимо сделать в нижней части двери несколько отверстий. Дымоход можно соорудить при помощи стальной трубы. Главное, чтобы она была правильно выведена по вертикали. Стык между раструбом котла и наставляемой трубы герметизируется. Выбираются только термостойкие материалы, так как температура выходных газов может достигать 110º. Сверху на трубу дымохода грибок не ставится. Это противоречит требованиям надзорных органов.
Любой другой вид дымохода делается с помощью гофрированной трубы. Она стыкуется с котлом в его верхней части и крепится с помощью хомута. Верхняя часть трубы крепится хомутом к вентиляционной металлической решетке.
Окончательную проверку и пуско-наладочные работы, связанные с первичным пуском и установкой газового оборудования, правильно произведут работники городской газовой службы. При пуске котла в работу открывается вентиль подачи газа на котел.
Вентиль, указывающий ступень нагрева теплоносителя в котле, следует установить в положение розжига. Для обеспечения безопасности автоматика не подаст газ в топку, пока не будет механического подтверждения. То есть необходимо нажать соответствующую кнопку, после чего зажечь фитиль. В течение нескольких секунд фитиль должен гореть, после чего нужно вращать или поворачивать вентиль до цифры 1.
Возникновение характерного хлопка означает начало подачи основного потока газа и его воспламенение. Нужно продолжить движение вентиля в сторону увеличения до установки заданной температуры на термостате котла. Снижать температуру во время работы категорически запрещено.
Выбор газового котла
Надежность в первую очередь зависит от того, какой толщины сталь использована в конструкции теплообменника. К сожалению, далеко не все производители указывают этот параметр, поэтому при выборе котла нужно в отдельном порядке прояснить данный момент у продавца, так как это может сыграть ключевую роль в работе парапетного котла.
Оптимальной считается сталь толщиной в районе трех миллиметров. Если сталь будет толще, то процесс теплообмена будет замедляться, что негативно отразится на общей эффективности отопления помещения. Помимо толщины стали, имеет значение и ее качество. Определить качество металла и всего котла в целом можно по максимальному уровню давления, которое допускается производителем. Чем оно выше, тем надежнее и качественнее изготовлен выбранный парапетный котел.
Качество металла при изготовленнии можно определить по максимальному уровню давления
На экономичность парапетного котла влияет конструкция теплообменника и его эффективность. Для того чтобы определить, насколько экономным будет в работе выбранный котел, нужно выяснить его КПД (коэффициент полезного действия), этот параметр наиболее точно покажет эффективность теплообменника и устройства котла в целом.
К настоящему времени практически все производители добились приемлемого уровня КПД, который составляет 90-92%. Но на всякий случай стоит уточнить уровень КПД при покупке, так как в некоторых случаях и два-три процента могут иметь значение. Этот показатель единственный, который объективно отразит эффективность котла, ведь разные помещения отличаются друг от друга уровнем собственной теплоизоляции, поэтому отзывы людей, уже купивших котел, всегда будут субъективны.
К значимым техническим параметрам относятся размер, габариты котла, расположение разъемов для подключения и мощность. Размер и габариты выбираются в каждом случае индивидуально и зависят от места и условий монтажа. Также для котла важным является расположение разъемов. Современный модельный ряд включает в себя варианты, как с правым, так и с левым подключением котла к газо- и водопроводу. Существуют и универсальные модели, которые можно подключать с любой стороны.
Котлы бывают различных габаритов, все зависит от мощности
Мощность парапетного котла является не менее важной характеристикой, чем его КПД. Именно от выбора модели с оптимальной мощностью будет зависеть качество отопления помещения, а также экономичность использования котла, ведь если он будет слишком мощный, то газ и электричество будут расходоваться впустую
Часто используется формула 1 кВт на 10 м2, но на самом деле это не правильно, так как данный показатель усреднен настолько, что практически никогда не соответствует реальности
При расчете мощности 1 кВт на 10 м2, не учитывается разница между квартирой и домом, количество окон в помещении, материал стен, высоту потолка и другие параметры, из которых складывается общий уровень теплоизоляции
Часто используется формула 1 кВт на 10 м2, но на самом деле это не правильно, так как данный показатель усреднен настолько, что практически никогда не соответствует реальности. При расчете мощности 1 кВт на 10 м2, не учитывается разница между квартирой и домом, количество окон в помещении, материал стен, высоту потолка и другие параметры, из которых складывается общий уровень теплоизоляции.
Лучше всего эту формулу удваивать, то есть на 10 м2 брать 2 кВт мощности, а не один. В этом случае получается запас, который учитывает окна, возможные сквозняки, тонкие стены или высокие потолки помещения. Но, конечно же, лучше всего при покупке консультироваться со специалистами и определять оптимальную мощность котла в индивидуальном порядке, чтобы добиться наиболее оптимального соотношения цены и качества отопления.
Парапетный котел экономичен, прост эксплуатации, имеет невысокую стоимость, может выполнять функции водонагревателя и не требует создания дополнительной сети отопления, так как одновременно является и печью, и конвектором. Легкость монтажа позволяет подключить парапетный котел самостоятельно, не прибегая к помощи специалистов.
Подводя итог можно сказать, что парапетный котел – это удобное современное отопительное устройство, которое можно устанавливать в помещениях любого типа, в частном доме, квартире, гараже или какой-либо хозяйственной постройке.
Плюсы и минусы
Достоинства парапетных котлов:
- Не нужно подключать к электросети. Автономная система работает от аккумулятора, а топливо поставляется из газопровода, или к системе подсоединяются баллоны.
- Такие котлы легче устанавливать, подключать, они не требовательны к уходу. Для регулирования работы системы на них установлены необходимые датчики, контроллеры.
- Устройство аппарата несложное, что упрощает задачу технического обслуживания.
- Универсальная техника может стать источником тепла для отопительной системы из труб и радиаторов, или индивидуальным средством обогрева за счет конвекционных окошек.
- Оборудование устанавливается в небольших помещениях (малогабаритная квартира, небольшой частный дом или дача). Разместить его можно там, где удобнее. Существуют напольные, навесные разновидности. Такие приборы компактны.
Конвекционные отверстия
Недостатки:
- Слабое внутреннее давление, которое требуется искусственно увеличивать циркуляционным насосом.
- Вероятность обледенения дымохода при сильных морозах.
Подробный обзор модели парапетной установки можно посмотреть в следующем видео:
Этапы переноса газового котла
Перенос газового устройства состоит из двух основных этапов: демонтажа котла со старого места и монтажа его на новое.
Чтобы между этими действиями был минимальный промежуток времени, следует заранее подготовить новое помещение к установке газового котла:
- подвести водяные и газовый трубопроводы к новому месту;
- поставить розетку рядом с будущим агрегатом, если она отсутствует;
- подготовить место установки: на стену повесить щит из огнеупорного материала (металла) для навесного агрегата, на пол положить несгораемую основу или сформировать бетонную стяжку – для напольного аналога;
- сделать отверстие в перекрытии или стене для дымохода;
- убрать из помещения легковоспламеняющиеся предметы.
Также необходимо убедиться, что объем помещения соответствует мощности газового котла. Оно не может быть менее 7,5 м³ — это минимально допустимый объем комнаты, в который разрешается устанавливать газовый агрегат. Высота потолка – от 2 м и выше.
Демонтаж газового котла
Демонтаж газового котла производят по следующим этапам:
- Перекрывают газовод.
- Промывают всю систему отопления.
- Выключают котел из розетки, отсоединяют от агрегата дымоход, водопроводные трубы и канализацию.
- Снимают навесное устройство с кронштейнов.
Монтаж агрегата
Основные этапы монтажа газового котла следующие:
- Подготовка дымохода: установка трубы в отверстие с небольшим уклоном в сторону улицы для отведения конденсата. Коаксиальный дымоход вставляют в отверстие и закрепляют клиньями, после чего заполняют пустое пространство цементом или монтажной пеной.
- С помощью шаблона задней стенки навесного газового котла отмечают места на стене для установки кронштейнов и прикрепляют их.
- Настенные модели навешивают на кронштейны, а напольные ставят ровно на несгораемое основание.
- Соединяют патрубок котла с дымоходом через специальное колено.
- Подключают систему отопления и водоснабжения к контуру агрегата. Если модель двухконтурная, то подводят и ГВС.
- Устанавливают газовод – лучше всего подходит металлический гибкий шланг, но подключить его должен представитель газовой службы.
- Включают устройство в розетку и соединяют с заземлением.
- Самостоятельно можно проверить систему на наличие утечек.
- Приглашают специалиста для проведения первого пуска газового котла.
Перед тем как осуществить перенос отопительного устройства, стоит лишний раз подумать, насколько это целесообразно, так как такая манипуляция стоит совсем недешево. Например, перенос газового котла на лоджию имеет смысл лишь в случае, если данное помещение утеплено и будет отапливаться как часть жилой зоны.
В своем жилье мы можем сколько угодно делать ремонт, переставлять мебель, бытовые приборы. Однако такое переустройство как перенос газового котла в частном доме может вызвать определенные проблемы с газовой службой. К тому же с местными органами самоуправления города/поселка/района обязательно возникнут разногласия, решаемые в суде.
Согласитесь, лучше все предусмотреть и сделать официально, чем потом мотаться по судам, платить штрафы и менять все обратно. Но как осуществить перенос правильно — с минимальными потерями времени и порчей нервов?
Мы расскажем вам все об этой непростой процедуре. Разберем, возможно ли вообще перемещение газового оборудования в загородной частной собственности и в городской квартире. Подскажем, где и с кем согласовывать переустройство, а также какие документы необходимо собрать.
Подбор оптимальной схемы отопления
Для обогрева жилища чаще всего используются следующие схемы, как установить котел отопления в частном доме:
- Однотрубные. Один коллектор обеспечивает все радиаторы. Он играет роль и подачи, и обратки, так как прокладывается замкнутым контуром рядом со всеми батареями.
- Двухтрубная. В этом случае применяется отдельная обратка и подача.
Чтобы выбрать наиболее оптимальную схему установки котла отопления в частном доме, рекомендуется проконсультироваться со специалистом. Однако в любом случае, двухтрубная система является более прогрессивным решением вопроса какая схема отопления лучше для частного дома. Хотя на первый взгляд может показаться, что однотрубная система позволяет сэкономить на материале, однако практика показывает, что такие системы и дороже, и сложнее.
Важно понимать, что внутри однотрубной системы остывание воды происходит намного быстрее: в результате более дальние радиаторы приходится оснащать большим числом секций. Также у раздающего коллектора должен быть достаточный диаметр, превосходящий линии двухтрубной разводки
Кроме того, в данной схеме существует серьезное затруднение при организации автоматического управления из-за влияния радиаторов друг на друга.
Небольшие строения типа дач, где число радиаторов не превышает 5, можно без опасения оснащать однотрубной горизонтальной схемой системы отопления частного дома своими руками (ее еще называют «ленинградкой»). Если число батарей увеличить, будут наблюдаться сбои в ее функционировании. Еще одно применение подобной развязки – однотрубные вертикальные стояки в двухэтажных коттеджах. Подобные схемы встречаются довольно часто и работают без сбоев.
Двухтрубная развязка обеспечивает доставку на все батареи теплоносителя одинаковой температуры. Это позволяет отказаться от наращивания секций. Наличие подающей и обратной трубы создает оптимальные условия для внедрения автоматического управления радиаторами, для чего используются термостатические вентили. В этом случае можно брать трубы меньшего диаметра и более простые схемы.
Какие бывают схемы отопления частного дома двухтрубного типа:
- Тупиковыми. В этом случае трубопровод состоит из отдельных ветвей, внутри которых используется встречное движение теплоносителя.
- Попутными двухтрубными. Здесь обратка выполняет роль продолжения подачи, что обеспечивает кольцевое движение теплоносителя внутри схемы.
- Лучевыми. Наиболее дорогостоящие схемы, где каждый радиатор имеет отдельно проложенную скрытым способом (в полу) линию от коллектора.
Если при укладке горизонтальных магистралей большого диаметра использовать уклон 3-5 мм/м, то будет достигнут гравитационный способ работы системы, и циркуляционные насосы можно не применять. Благодаря этому достигается полная энергетическая независимость системы. Этот принцип можно применять как однотрубных, так и двухтрубных схемах: главное – создать условия для самотечной циркуляции теплоносителя.
В открытых отопительных системах потребуется наличие в самой верхней точке расширительного бака: такой подход является обязательным при обустройстве самотечных контуров. Однако обратная труба рядом с котлом может быть оснащена мембранным расширителем, что позволит сделать систему закрытой, работающей в условиях избыточного давления. Такой подход считается более современным, и чаще всего используется в системах принудительного типа.
Особого упоминания при исследовании, какую схему отопления выбрать для частного дома, заслуживают теплые полы. Стоит такая система довольно дорого, так как требует укладки в стяжку нескольких сотен метров трубопровода: это позволяет обеспечить каждую комнату отдельным нагревающим водяным контуром. Трубы коммутируются на распределительном коллекторе, который имеет смесительный узел и собственный циркуляционный насос. В результате помещения прогреваются очень равномерно и экономично, в комфортной для людей форме. Подобный тип отопления может применяться в различных жилых помещениях.
Правила установки настенного газового котла
Поверхность стены, находящуюся за тепловым агрегатом, требуется защитить несгораемым материалом. Высота установки настенного газового котла предполагает, что подвес нижней части теплоагрегата будет находиться на расстоянии не меньше 80 сантиметров от пола, а промежуток между стеной и задней поверхностью составит 5 сантиметров. Этап второй – подсоединение магистральных отопительных труб. К котлу потребуется подключить количество труб в зависимости от того, какая монтируется система — однотрубная или двухтрубная. До того, как выполнить соединение, с патрубка агрегата убирают заглушки. На вход обратки специалисты советуют установить фильтр, чтобы в котел не попали мусор и грязь из тепловой магистрали.
Немаловажное значение имеет качество воды, а точнее ее жесткость при использовании в качестве теплоносителя. Исправить недостаток поможет такое очистное оборудование как полифосфатные дозаторы, а иначе настенный прибор быстро перестанет работать
Этап третий — подсоединение теплоагрегата к газовой сети. Правила, как подключить настенный газовый котел, трактуют, что эту часть монтажа должны выполнять только специалисты, имеющие соответствующие допуски.
При проведении работ потребуется установить следующие элементы:
- шаровой вентиль (газовый), который монтируют на входе в агрегат;
- счетчик на газ и датчик утечки – их врезают в магистраль перед прибором;
- термозапорный клапан (согласно правилам пожарной безопасности). Когда температура около настенного теплоагрегата повышается до критического значения, например, при возникновении пожара, данное устройство автоматически перекроет подачу газа.
Этап четвертый — подсоединение к электросети. Электропитание необходимо не для всех газовых котлов, а только для тех, которые имеют вентилятор, предназначенный для отвода отходов и систему автоматики. Обычно обустраивают трехпроводную схему включения и обязательно с заземлением. Навесной котел лучше подключать в электросеть с использованием стабилизатора напряжения, чтобы избежать скачков напряжения.
Этап пятый – обустройство вывода в трубу дымохода. Для газовых котлов атмосферного типа требуется подключение к индивидуальному дымоходу. Схема подключения настенного газового котла предусматривает, что прибор соединяют с дымоходом с использованием железной трубы определенного сечения, которая устойчива к высоким температурам, механическому износу и влиянию продуктов сгорания.
Прежде, чем приступить к выполнению подсоединения, нужно убедиться, что в дымоходе нет мусора и остатков сажи.
При установке отрезка трубы, идущего от котла в дымоход, соблюдают следующие правила:
- вертикальная часть, расположенная на выходе из прибора, должна быть длиной не меньше двух диаметров до места поворота;
- далее труба должна располагаться с наклоном в сторону агрегата;
- участок, подсоединяемый к дымоходу, иметь должен по возможности минимальную длину.
В котлах, оборудованных закрытой камерой, проблема отвода продуктов сгорания решается проще. Их можно подсоединять к коллективным дымоходам или применять коаксиальную трубу, которую выводят сквозь стену непосредственно на улицу. За высотой подвеса трубы следить не требуется, поскольку тягу создает встроенный вентилятор.
Этап шестой – заполнение водой. Перед пробным запуском открывают вентиль, как правило, находящийся внизу навесного котла. Воду закачивают до тех пор, пока давление не составит 2 атмосферы. Этот процесс должен происходить медленно, чтобы вывести имеющийся внутри воздух. Отопительную конструкцию следует проверить на герметичность.
Наиболее часто встречающиеся проблемы
Парапетный напольный газовый котел, как и настенный, иногда может затухать.
Наиболее частые причины:

- Обледенение наружного блока дымохода. В этом случае нарушается доступ и вывод воздуха. Рекомендуют попробовать запустить котел на минимальной мощности, попытаться таким образом прогреть его. Либо аккуратно сбить наледь.
- При использовании котлов всех типов, желательно установить фильтры очистки воды. Если она достаточно жесткая, может забиться система теплообменника. В этом случае необходимо отсоединить ее и прочистить.
- При сильном порывистом ветре иногда его порывы попадают в выводной дымоход (обратная тяга), что приводит к задуванию пламени.
- Огонь может погаснуть при недостатке давление газа. Необходимо устранить причину, возможна утечка.
- Выход из строя различных датчиков, контроллеров. Требуется замена, ремонт деталей котла.
Если сложно определить причину самостоятельно, недостаточно знаний, опыта, правильнее, пригласить специалиста для ремонта.
Как перейти на автономную подачу тепла
В многоквартирном доме переход на индивидуальное теплоснабжение и создание собственной котельной осуществляется после проведения общедомового собрания.
После принятия положительного решения большинством голосов, необходимо приступать к оформлению необходимых бумаг, закупке оборудования и, после получения разрешений, к монтажу конструкции.
Если в доме заранее было предусмотрено расположение котельной, то не должно возникнуть проблем с документальной стороной вопроса. В ином случае, может потребоваться больше времени и усилий.
Сначала нужно приобрести отопительный котел с камерой сгорания закрытого типа. Если периодически возникают проблемы с подачей горячей либо холодной воды, то необходимо установить контур горячей воды.
Тип котла может быть любым. Наиболее оптимальным решением считается установка модели из полипропилена
В любом случае, важно учитывать особенности дома. Нужно не забыть о запорной арматуре, с помощью которой осуществляется регулировка циркуляции горячей воды
Существует несколько вариантов подключения радиаторов к системе подачи тепла, обеспечивающих циркуляцию горячей воды по всем радиаторам в квартирах.
Однотрубная схема отличается малой стоимостью, но устанавливать ее не всегда уместно. Такой способ рассчитан на обогрев небольших помещений.
Двухтрубная схема наиболее распространена, она позволяет организовать циркуляцию воды таким образом, что в теплоносителе и непосредственно в радиаторах она всегда будет горячей, а остывшая вода будет отводиться через возвратный канал, так называемую «обратку».
Также стоит отметить еще одно немаловажное преимущество – двухтрубный водяной контур позволяет регулировать температуру в радиаторах с помощью установки термостатов, что обеспечивает поддержание необходимого уровня нагрева батареи в каждой квартире индивидуально. Существует также лучевой способ разводки труб
Главное его достоинство состоит в том, что лучевое отопление позволяет регулировать температуру каждого радиатора в отдельности. Это способствует серьезной экономии топлива в котельной и, как следствие, снижению финансовых затрат
Существует также лучевой способ разводки труб. Главное его достоинство состоит в том, что лучевое отопление позволяет регулировать температуру каждого радиатора в отдельности. Это способствует серьезной экономии топлива в котельной и, как следствие, снижению финансовых затрат.
Основные виды
Газовые котлы классифицируются по различным признакам: назначению, производимой мощности, типу тяги и способу монтажа. Одноконтурные котлы устанавливаются исключительно для обогрева дома, двухконтурные позволяют не только прогреть помещения, но и обеспечить дом водой с возможностью ее подогрева.
Маломощные котлы регулируются по одноступенчатому принципу, агрегаты средней производительности – по двухступенчатому. В высокопроизводительных котлах обычно предусматривается модулированная регулировка мощности.
Котлы закрытого типа работают на вентиляционной тяге. Существуют также газовые котлы с естественной тягой – открытого типа, или атмосферные.
Установка газовых котлов в частном доме производится либо путем монтажа на стену, либо на пол. В первом случае используются медные теплообменники, а во втором – чугунные или стальные.
Оптимальным решением для применения в частном доме считается проточный двухконтурный котел с бойлером, работающий на автоматике. Он обеспечивает обогрев помещений в холодное время года и подогрев воды для приготовления пищи, мытья посуды, принятия душа.

Автоматическая система, включающая в себя двойной термостат и микропроцессор, значительно упрощает процесс регулировки оборудования, позволяет отслеживать температуру в помещениях и на улице, задавать программу для уменьшения подогрева до минимума, если в доме отсутствуют люди (например, в дневное время, когда все ушли на работу).
Установка котла с полностью автоматическим управлением поможет вам сэкономить от 30 % до 70 % топлива по сравнению с оборудованием на ручном или полуавтоматическом управлении.
В то же время при отсутствии электричества автоматическая домашняя котельная не сможет обеспечивать полноценный обогрев дома, поэтому при монтаже котла нужно предусмотреть и форс-мажорные ситуации.
При покупке газового котла обязательно проверьте наличие сертификата и комплектацию. Если необходимо, дополнительно приобретите крепежные элементы для монтажа агрегата на стену.
Основные типы парапетных котлов
Как в квартире, так и в загородном доме могут использоваться приборы, которые можно условно разделить по:
- месту монтажа;
- наличию автоматики;
- мощности;
- автономности от электричества;
- способу вывода продуктов сжигания газа;
- типу теплоносителя;
- функциональности;
- виду горелки;
- цене и так далее.
По месту монтажа приборы могут быть:
- настенными;
- с установкой на пол.
Первые более популярны, поскольку их мощность зачастую не составляет больше 30 киловатт. Нет, приборы, которые вешают на стены, есть и более мощные, но это уже скорее мини-котельные, которые объединяют в себе несколько приборов по каскадному принципу.
Напольное оборудование зачастую более мощное и позволяет отапливать здания площадью в несколько квадратных километров.
По разновидности дымохода
С этой точки зрения парапетный газовый котел бывает с:
- принудительной тягой;
- естественной.
В варианте №1 имеют место описанные выше коаксиальные дымоходы, а во втором – традиционные, выполненные в виде трубы и проходящие через кровлю.

Внимание! Нередко встречаются упоминания о турбированных котлах. Это, в принципе, те же настенные парапетные модели, но продукты сжигания топлива в них отводятся через коаксиальный дымоход при помощи специальных вентиляторов. Если тяга естественная, то горелка в котле будет открытой, а воздух подаваться непосредственно из комнаты
А если труба коаксиальная, то он подается снаружи. И такие котлы обычно и используются вместе с парапетными приборами, отчего экологические условия в помещении существенно улучшаются, ведь воздух не сжигается, а поступает снаружи
Если тяга естественная, то горелка в котле будет открытой, а воздух подаваться непосредственно из комнаты. А если труба коаксиальная, то он подается снаружи. И такие котлы обычно и используются вместе с парапетными приборами, отчего экологические условия в помещении существенно улучшаются, ведь воздух не сжигается, а поступает снаружи.
Внимание! Эти дымоходы могут быть горизонтальными и вертикальными, благодаря чему возможности при выборе места под монтаж теплогенератора значительно расширяются
По функциональности
Как мы уже говорили, в приборах парапетного типа может быть один или два контура. В первом случае только отапливается жилище, во втором можно дополнительно обеспечить всех проживающих горячей водой. Они оборудуются проточными нагревателями, преимущественно медными (у этого металла самая лучшая теплопроводимость). Также котлы можно подключать к системе слева, справа или же сразу с обеих сторон, благодаря чему разводка отопления существенно упрощается.

Внимание! Невзирая на то, что приборы изначально предназначались для функционирования на природном газе, при необходимости можно заменить горелку, и они будут весьма эффективно работать и на сжиженном. Читайте так же наш обзор двухконтурных газовых котлов, подробнее. Читайте так же наш обзор двухконтурных газовых котлов, подробнее
Читайте так же наш обзор двухконтурных газовых котлов, подробнее
О теплоносителе
Немногие знают, что использовать воду из отопительных магистралей для бытовых целей нельзя. Но к этому нередко прибегают, если отключается горячая/холодная вода. Многие просто открывают на радиаторе кран и сливают необходимое количество жидкости, чтобы, к примеру, помыть пол.
Но мы не советуем так делать, ведь в этой воде есть такие добавки, которые предотвращают образование разного рода отложений на стенках отопительного оборудования. И если ее использовать, то это может негативно сказаться на вашем здоровье.

По этой причине до того как в квартире установить парапетный газовый котел, тщательно изучите данный нюанс, ведь не все приборы могут работать с таким теплоносителем. А вот в домах, где чистота носителя контролируется самыми владельцами, можно использовать любой прибор, даже не задумываясь о качестве воды.
В качестве небольшого заключения
Как и все остальные отопительные приборы, парапетный газовый котел следует выбирать не только по эксплуатационным качествам, но и по эффективности теплообменника, экономичности и мощности. Более того, если планируется покупка двухконтурного прибора, но нужно учитывать еще и расход воды на каждого человека, проживающего в доме.

Если мощности газового агрегата будет недостаточно, то лучше приобрести более дешевую модель на один контур и установить вместе с ней бойлер.
Выбор места для установки котла парапетного типа
Котлы парапетного типа устанавливаются только в нежилых и неслужебных помещениях, т. е. в жилых комнатах и кабинетах их устанавливать нельзя, но они вполне могут располагаться в кухнях, холлах, коридорах и пр. подсобных помещениях. Постоянного наблюдения газовые котлы этого типа не требуют.
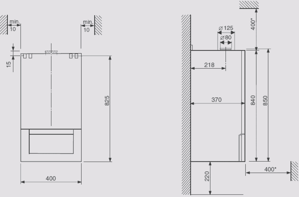
Парапетные газовые котлы устанавливаются только на наружной стене здания таким образом, чтобы вблизи от места их установки не находились сгораемые элементы конструкций. Если стена включает в себя сгораемые элементы, то расстояние от трубы до таких элементов должно составлять не менее 20 см, а сами эти элементы должны быть защищены огнеупорным материалом со стороны трубы и газового котла. На самом фасаде не должно быть сгораемых элементов ближе 30 см от трубы. Если такие элементы есть, то они либо удаляются, либо защищаются огнеупорным материалом.
Труба не должна выходить в лоджию, на балкон, под навес и тем более в подъезд или арку. Стоит сразу позаботиться о том, чтобы труба не мешала прохожим, если котел установлен на небольшой высоте относительно земли, и не выбрасывала продукты сгорания в окно соседям.
Рисунок 3. Схема устройства парапетного котла.
Для котлов мощностью до 7 кВт допускается располагать трубу в 25 см от окна в любом направлении и 50 см в стороны, если мощность котла выше. Если котел располагается на первом этаже, то высота установки трубы над поверхностью земли не должна быть меньше 0,5 м, если в месте вывода трубы нет прохода людей, если же проход людей есть, а мощность котла превышает 7кВт, высота расположения трубы должна составлять не менее 2,2 м. Также труба не должна выходить под приточным вентиляционным отверстием ближе 2,5 м или рядом с ним ближе 0,6 м для котлов мощностью 7 кВт и не ближе 1,5 м — если мощность газового котла свыше 7 кВт. Под балконами и иными элементами, выступающими более чем на 0,4 м, допускается располагать трубу котла парапетного типа не ближе 2 м (если мощность газового котла свыше 7 кВт — 3 м), карнизами и прочими элементами, выступающими менее чем на 0,4 м — не ближе чем в 0,3 м (если мощность газового котла свыше 7 кВт — 1,5 м).
Поскольку коаксиальная труба требует периодического контроля и обслуживания, то выбирать место установки газового котла следует таким образом, чтобы была возможность организации доступа к трубе.
Около газового котла внутри помещения не должно быть легковоспламеняющихся элементов интерьера (занавесок, гардин, драпировок) мебель и электробытовые приборы не должны устанавливаться к нему вплотную или ближе 30 см.
Органы управления самого газового котла, регулировочная и запорная арматура подключенных к котлу трубопроводов должны быть доступны для осмотра и управления, для чего перед передней панелью должен быть проход шириной не менее 1 м.
Веться к оглавлению</index>

























































