Схема садового светильника
Конструктивно, садовый светильник, работающий на солнечной батарее, состоит из следующих частей:
- Корпус – может быть различной конструкции, в зависимости от способа установки, материала, используемого при изготовлении и его предназначения.
- Солнечная батарея – является источником питания электрического аппарата.
- Источник света – электрическая лампа, как правило малой мощности (светодиод) и значительным световым потоком.
- Устройства автоматики – датчики освещенности и движения, обеспечивают включение в темное время суток и при попадании движущегося объекта в зону охвата датчика, соответственно.
- Аккумулятор (АКБ) – является накопителем электрической энергии, обеспечивающей работу источника света.
- Электронный блок (контроллер) – отвечает за режим заряда аккумулятора и работу источника света.
- Коммутационный аппарат – служит для отключения прибора, когда нет необходимости в его работе.
Схематически, садовый светильник, работающего на солнечной батарее, выглядит следующим образом:

На данном рисунке коммутационные устройства и средства автоматики не указаны. Принцип работы основан на преобразовании солнечной энергии в электрическую, которое происходит внутри фотоэлементов, являющихся основой солнечной батареи.
Все элементы – АКБ, контроллер и источники света, помещаются в общий корпус, солнечная панель может в него встраиваться или быть выносной, в соответствии с конструкцией конкретной модели.
Принцип работы шарообразного уличного фонаря
При детальном рассмотрении солнечная панель представляет собой комплекс ячеек, наполненных фотогальваническим веществом.
При попадании солнечного света на их поверхность возникает выработка электрического тока. Конструкция выполняется при помощи двухслойного кремниевого полупроводника.
При чем у каждого слоя будет разная проводимость. Когда солнечный свет нагреет верхний слой, он будет выступать в качестве катода. В это время начнут высвобождаться, при помощи фотонов света, электроны из атомов кремния. Свободные электроны будут перетекать к атомам кремния нижней пластины, которая является анодом.
Далее электроны по проводникам двигаются к аккумуляторной батарее и заряжают ее. Когда электрон отдает всю свою энергию, он возвращается в верхнюю пластину, и цикл повторяется.
В зависимости от того, как выстроены кристаллы кремния в фотоэлементе, могут различаться три типа солнечных панелей:
- поликристаллические;
- монокристаллические;
- аморфные.
Наименее затратным вариантом считается поликристаллический тип, однако производительность у таких панелей ниже остальных. В четверть раза мощнее монокристаллические панели, но и стоимость их значительно выше. В регионах с минимальным количеством световых дней наиболее производительными считаются аморфные панели.
Панели размещаются в корпусе, который способен выдержать прямое попадание солнечных лучей, а также атмосферных осадков, и не разрушаться. Иногда солнечная батарея может размещаться отдельно от светильника.
Производители
На рынке светильников-шаров имеется множество организаций, занимающихся производством садового оборудования. Однако среди всех можно особенно выделить следующих производителей.

Плюсы:
- современный дизайн;
- высокое качество;
- лёгкое обслуживание.
Минусы: низкая мощность освещения.
Итальянская компания Fumagalli
Модель выполнена в чёрном шарообразном корпусе. Алюминиевый каркас позволяет легко его устанавливать и не требует особого ухода. Светильник подойдёт для освещения дворовой территории и садовых дорожек.
Плюсы:
- низкая стоимость;
- стильный дизайн;
- качество сборки.
Минусы: малый объём аккумулятора.
Австрийский светильник Globo Lighting
Модель можно считать эталоном стиля. Светильник отличается высокой хромированной стойкой, на которую крепится шарообразный плафон. В конструкции имеется четыре светодиодные лампы, питающиеся от солнечной батареи.
Плюсы:
- яркое освещение;
- прост в установке;
- малое энергопотребление.
Минусы: высокая стоимость.
Российская фирма Feron
Наиболее успешным представителем фирмы считается светильник Северный свет. Модель выполнена в шаровидной форме на опорном столбике.

Плюсы:
- элегантный вид;
- легкость в обслуживании;
- простота в сборке.
Минусы: низкое качество гидроизоляции.
Paulman
Модель выполняется шаровидной формы и может погружаться в грунт на 50 мм. Лампа способна выдерживать высокую нагрузку и воздействия окружающей среды. Прочность обеспечивается металлическим корпусом и плафоном из поликарбоната.
Плюсы:
- качество сборки;
- яркость освещения;
- долгий срок службы.
Минусы:
- высокая стоимость;
- большие размеры лампы.
Видео
Как сделать автоматический светильник на солнечном элементе, вы узнаете из нашего видео.
Источники
- https://FB.ru/article/362844/shema-sadovogo-svetilnika-na-solnechnyih-batareyah-sadovyiy-fonar-ustroystvo-i-remont-sadovogo-svetilnika-na-solnechnyih-batareyah
- https://econet.ru/articles/185372-kak-samomu-sdelat-sadovyy-svetilnik-na-solnechnyh-batareyah
- https://www.rmnt.ru/story/electrical/svetilniki-na-solnechnyx-batareykax-svoimi-rukami.986889/
- https://alter220.ru/solnce/shema-svetilnika-na-solnechnoj-bataree.html
- https://altenergiya.ru/sun/svetilnik-na-solnechnoj-bataree.html
- https://solar-energ.ru/kak-sdelat-sadovyj-svetilnik-ot-solnechnoj-batarei-svoimi-rukami.html
Гирлянда от солнечных батарей не работает
Кто мне подскажет, КАК можно (безопасно) переделать гирлянду, которая работает от солнечной батареи, на нормальную?
Это правда, что нужно всего лишь присоединить к ней кабель для подзарядки мобильника?
Или все-таки нужно действовать по-другому?
Сколько аккумуляторов стоит в панели солнечной батареи?
Правильно будет померять напряжение на выходе этой панели и по одобрить соответствующий блок питания.
На упаковке такие данные: Akku: 1x 1,2V DC, NiMH AA
А в памятке такие: 1,2V 400mAH Ni-MH

нужен блок питания с выходом 1,2V
Отсоединить солнечную батарею, вытащить акку 1,2В и поставить вместо неё батарейку 1,5В.
Или любой другой имеющийся блок питания и понижающий преобразователь. На али пару евро, но нужен кто-то, кто умеет пользоваться мультиметром и паяльником.
В тех, которые мне доводилось держать в руках, была крутилка (ок, ок, подстроечник) которой можно было выставить выходное напряжение.
по этому я нормальную батарейку и предложил, а не блок питания. И никаких умений и премудростей с паянием. Просто заряжаемую батарейку вытащить и поставить простую. Только солнечную батарею предварительно отключить.
Да ок, ок. Мне же не жалко. Только пусть побольше батареек закупит.
Ну это уже другой вопрос!
или аккумуляторы, например икеевские с их же зарядкой от компа. Стоят копейки, работают замечательно. Ну и экологический аспект.
Вы это все серьезно? Какое такое паяние? Какие батарейки?
Неужели нельзя отчекрыжить эту дурацкую солнечную подзарядку и приделать штекер (например) от обычной гирлянды,
если от мобильной подзарядки совсем уж нельзя?
надо померять тестером ТОК .. сколько милиампер ..
светодиодам не стольнапряжение надо ..сколько стабильный ток .
на одной микросхемке трехногой и резисторе ( стабилизатор напряжения КР5 ..или аналог ..на 5 вольт)
делается ИСТОЧНИК ПОСТОЯННОГО ТОКА . и резистором задается сколько милиампер надо ..
и можно через него практически любую зарядку подключить ..главное чтоб мощность у нее была достаточной ..
но если у тебя один аку 1.2 вольта никель магниевый ..то любая зарадка подойдет ..
Источник
Принцип действия и преимущества

Солнечная батарея устроена несложно. Солнечные лучи, попадая на полупроводник (чаще всего используется кремний) заставляют двигаться электроны в нужном направлении. С обеих сторон припаиваются проводки. Такие устройства используются для небольших светильников. Чем больше батарея, тем больше она способна отдать электричества. Например, гибкая лента весом 284 грамма способна выработать 6 Вт, у твёрдой батареи для выработки такого же количества вес должен быть 390 грамма.
Большую популярность приобретают гибкие солнечные батареи. По внешнему виду они напоминают ленты, в них использованы электроды из алюминия. Благодаря этому материалу ленты очень гибкие и легкие. Они очень экологичны, практически не подвержены влиянию окружающей среды.
Единственный их минус — это низкий коэффициент полезного действия. КПД ленты примерно составляет 12-15 %, у твердой солнечной батареи этот показатель 18-20%.
Ленты можно разрезать обычном ножом, гнуть в любом направлении, и им абсолютно ничего не будет. Такая конструкция удобна для размещения на крыше, фасаде беседки или дома. Цена за гибкую ленту будет чуть выше, чем за твердую солнечную батарею.
Создание светильника своими руками
Простые схемы садового фонаря на солнечной батарее могут быть собраны любым человеком, который имеет минимальные знания в этой области.
Выбор деталей для фонаря
Прежде чем начать покупку всех комплектующих для сбора светильников, необходимо учесть и количество, так как от этого будет зависеть мощность каждого из них, а значит, и комплектующие будут разные:
- Первое, что необходимо – это купить преобразователь энергии. Батарея из поликристаллического кремния считается одной из лучших для таких целей. Ее вес очень мал, а защита от влаги и повреждений высока. К тому же мощность достаточная высокая.
- Необходимостью является аккумулятор литий-ионный.
- Далее необходим элемент освещения. В качестве него сейчас наиболее востребованным является обычный светодиод. Возможна установка светодиодной лампы, но затраты ее энергии неоправданно высоки. Освещение от солнечных батарей своими руками на основе обычного светодиода вполне хватит.
- Последняя и самая жизненно важная часть устройства – это электронный модуль управления, состоящий из двух пар резисторов и пары транзисторов.

Подключение светодиода, аккумулятора и солнечной батареи осуществляется отдельно. Для сборки можно приобрести довольно дешевую и универсальную плату DIY PCB 42х25мм.
Устройство и особенности
Садовые гирлянды, работающие на солнечных батареях, состоят из следующих основных элементов:
- солнечная батарея – источник электрической энергии;
- аккумуляторная батарея – накопитель электрической энергии;
- светодиоды – источники искусственного света;
- соединительные провода;
- реле включения – прибор, обеспечивающий работу прибора после наступления темноты.

Кроме этого, в состав подобных изделий могут входить такие элементы, как:
- датчик движения – обеспечивает включение гирлянды в момент попадания в зону действия устройства движущегося объекта;
- контроллер – задает определенный режим работы гирлянды, заключающийся в последовательности зажигания светодиодов и определенном времени их свечения.
Среди особенностей данного светотехнического оборудования стоит отметить следующие:
- То, как они работают, – режим включения/отключения в зависимости от освещенности территории.
- Использование светодиодных источников света, что обусловлено их малой электрической мощностью.
- Наличие специальной ножки у отдельных моделей, позволяющей размещать солнечную батарею на поверхности земли.
- Степень защиты подобных изделий от попадания воды в их внутреннее пространство – должна соответствовать международным кодам защиты IP.

Кроме конструктивных особенностей подобных приборов, следует отметить и особенности, относящиеся к их эксплуатации, каковыми являются: автономность работы без подключения к электрической сети, а также необходимость периодической очистки лицевой поверхности солнечной батареи от влаги и грязи, снижающих производительность источника электрической энергии.
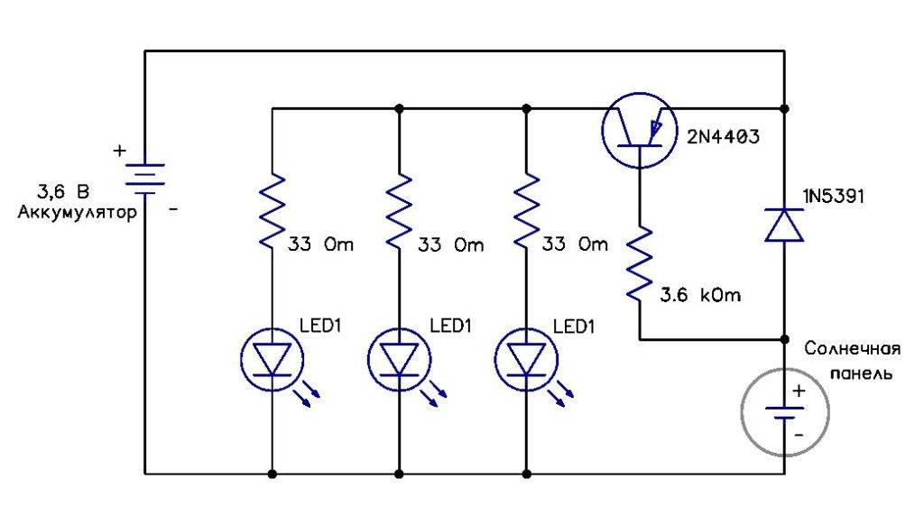
Во сколько обойдутся детали
В дешевых китайских светильниках стоимостью около 500 руб. используется всего один светодиод, чего явно недостаточно. Более того, напряжение аккумулятора составляет 1,5 В, именно поэтому свет очень тусклый.
Чтобы не тратить время зря, рекомендуется собирать светильники с оптимальной конфигурацией, в которую входят:
| Элементы | Цена | Кол-во | Общая стоимость |
| Солнечные модули Eco-Source 52х19 мм | 675 руб. за 40 шт. (на 4 светильника) | 1 компл. | 675,00 руб. |
| Аккумулятор SONY HR03 (1,2 В 4300 мАч) | 885 руб. за 12 шт. (на 4 светильника) | 1 компл. | 885,00 руб. |
| Светодиоды BL-L513UWC | 10 руб./шт. | 12 шт. | 120,00 руб. |
| Резистор СF-100 (1 Вт 33 Ом) | 1,8 руб./шт. | 12 шт. | 21,60 руб. |
| Транзистор 2N4403 | 6 руб./шт. | 4 шт. | 24,00 руб. |
| Диод 1N5391 | 2,5 руб./шт. | 4 шт. | 10,00 руб. |
| Резистор CF-100 (1 Вт 3,6 кОм) | 1,9 руб./шт. | 4 шт. | 7,60 руб. |
| Итого: | 1743,20 руб. |
Выходит, что для сборки одного качественного светильника нужно комплектующих примерно на 435 руб. Но из этих же деталей, докупив последние 3 позиции, можно сделать 12 аналогов дешевых китайских светильников.
Светодиодная гирлянда на солнечных батареях. Жми!
Цветные или монотонные огоньки всегда привлекали глаз человека. Всем нравится цветная яркая новогодняя елка, с мерцающими разными оттенками гирляндами — это восхищение «родом из детства».
Наиболее творческие люди хотят украсить не только свое внутренне помещение, но и дворы и огороды, а также в летний период дачи, на которых проводится большое количество времени.
Но следует понимать, что при «зажигании» двора вам не хватит двух метров, здесь необходима протяженность, примерно 10-12 метров, а в некоторых случаях больше. Использовать для таких нужд центральную электрическую сеть — для многих непозволительная роскошь.

Но наука не стоит на месте — она идет вперед, и сегодня, для освещения и украшения построек и дворов можно использовать гирлянды на солнечных батареях.
Виды гирлянд на солнечных батареях
Освещение деревьев дюра-лайтомВ отличие от обычных новогодних огоньков для елки, уличные предоставлены довольно широким ассортиментом. Каждый вид отличается по конструкции и характеру мерцания, и при выборе необходимо учитывать характеристики.
В настоящее время существует 6 основных видов гирлянд, использующих питание от солнечных батарей:Гирлянда «Тающая сосулька»Светотехника, использующая энергию Солнца, ничем не отличается от обычной, для которой необходимо подключение к электрической сети. Это все те же светодиоды, но с несколькими несомненными преимуществами:
Экономия. Если вы решились на приобретение солнечной батареи, то растраты вы понесете только один раз — при покупке. Все остальное время вы будете радоваться новогоднему сиянию вашего сада «бесплатно».
Солнце поднимается каждый день, поэтому энергия от него будет аккумулироваться ежедневно (о внешнем аккумуляторе на солнечной батарее вы можете прочитать здесь), а ночью будет освещать ваши владения. С учетом, того, что светодиодные лампы имеют очень длительный срок эксплуатации, можно прийти к выводу о ее экономичности;
Полезно знать: цены варьируются в зависимости от производителя и конструкции. Иногда, при одной и той же конструкции и производительности цена может отличаться в два и более раза. Разница будет состоять только в фирме-производителе. Переплачивать или нет – выбор за вами.
Локальность. Отпадает необходимость проводки. Если, например, вы захотели украсить отдаленную часть дачи, где нет розетки, то идеальным вариантом для этого будет являться гирлянда на солнечной батарее, располагающаяся локально, вне зависимости от источника электрического света.
Полезно знать: освещение на солнечных батареях может быть использовано там, где электрического света вообще нет.
Автоматизация. Техника, использующая солнечные батареи полностью автоматизирована: весь световой день аккумулируется энергия Солнца, с наступлением темноты, диоды автоматически загораются, таким образом отпадает необходимость постоянного включения и особенно выключения.
Светодиодные скульптуры применяются для украшениядворов и внутренних помещений.Недостаток всего один. В условиях короткого дня и длинной ночи или при пасмурной и дождливой погоде, аккумулятор не успевает набрать достаточное количество энергии, вследствие чего, длительности свечения может быть недостаточно для освещения в течение всей ночи.
Но для решения этой проблемы устанавливаются специальные датчики, реагирующие на движение, то есть если будет приближаться человек, огоньки будут загораться, энергия сохраняется.Установить светотехнику на солнечных батареях можнов любом месте без необходимости электрической сети.
В результате неоспоримой победы преимуществ над недостатками, можно сказать, что гирлянды на солнечных батареях, просто находка для творческих личностей, желающих украсить внутренние помещения и дворовые или садовые участки.
А если брать в расчет факт безопасности, вследствие отсутствия высокого напряжения в локальной сети, то можно не бояться, что электрическим током может быть поражено домашнее животное или маленький ребенок, что является немаловажным моментом для сознательных граждан.
Таким образом, освещение садового участка или дворовых построек может быть произведено красиво, экономно и безопасно.
Как усовершенствовать купленный светильник
Самостоятельное изготовление солнечного фонаря обходится в 2-3 раза дешевле покупки самого примитивного готового изделия китайского производства. Но это не единственный бонус, ведь при домашнем изготовлении вы можете учесть все свои потребности, поставить качественные элементы и продумать декоративные функции освещения.

Если же вы уже купили готовые изделия, то можно легко модернизировать устройство этих садовых светильников на солнечных батареях по вашему усмотрению.
Изменение схемы
В дешевых светильниках могут возникнуть проблемы из-за несовершенного подбора элементов схемы, но их несложно исправить:
- Если светодиоды дают тусклый свет, то попробуйте убрать один резистор и поставить вместо него перемычку.
- Если светодиоды сначала горят ярко, потом тускло, а затем гаснут, то нужно добавить один резистор в несколько десятков килоОм и 5мА (такая сила тока будет питать светодиоды на несколько часов дольше даже при вдвое меньшем объеме аккумулятора. Для этого разорвите цепь и впаяйте туда дополнительный светодиод.
- Если же диоды быстро (через 2-3 часа) гаснут, то проверьте емкость аккумулятора. В китайских фонарях обычно стоит аккумулятор на 600мАч. Для полноценного светильника нужно хотя бы 1000мАч (предпочтительнее типа Ni-MH). Слишком большая емкость тоже не нужна, потому что такой аккумулятор просто не успеет зарядиться за наш световой день.
Изменение цвета и свечения фонаря
Кроме того, можно улучшить декоративные функции садовых фонарей:
- Вместо одного светодиода можно использовать три. Если их разместить под углом в 120 градусов, то получится более равномерное освещение. Чтобы добиться одинакового свечения всех трех элементов, проследите, чтобы у них был минимальный разброс рабочего напряжения. Быстрый совет: используйте светодиоды из одной партии, тогда они будут светиться примерно одинаково.
- Разброс напряжения следует учитывать и при включении в схему светодиодов разного цвета — у элементов каждого цвета свое напряжение. При параллельном соединении ярче всего будет светиться светодиод с минимальным напряжением. Чтобы проверить совместимость элементов можно сначала собрать цепь на монтажной плате или проверить параметры по специальным таблицам.
- В садовых светильниках можно использовать трехцветные динамические светодиоды с эффектом затухания — цвет плавно перетекает из одного в другой. В таких светодиодах на одном из электродов расположена микросхема, которая управляет матрицей RGB. Эти элементы работают на токе 20мА. И их обязательно нужно подключать при помощи токоограничительного резистора и с точным соблюдением полярности. Но учтите, что трехцветный светодиод со встроенным генератором не может работать на импульсном напряжении, как это делает белый светодиод. Для него необходимо постоянное напряжение.
Экспериментируйте, и ваш садовый участок превратится в красивое и безопасное место. О других способах использования солнечной энергии в быту читайте здесь.
Особенности установки
Рынок садового оборудования достаточно велик, поэтому все светильники могут отличаться между собой не только по дизайну, но и по варианту монтажа. Способ установки зависит от сферы применения и желаемого места расположения светильника в саду.
Производители дачных светильников подразделяют их на следующие категории:
- Грунтовые. Исходя из названия, несложно догадаться о способе их монтажа. Грунтовые располагаются непосредственно в земле. Такая модель простая в дизайне и направляет свет строго снизу вверх. Они прекрасно подходят для освещения малых архитектурных форм и кустарников.
- Настенные. Настенные могут освещать вход в сад и подсвечивать пешеходные дорожки. В зависимости от высоты использования могут подбираться индивидуальные варианты. Настенный садовый светильник отличается своей компактностью.
- Подвесные. Подвесной светильник по своей форме может напоминать люстру. Часто такие приборы подвешивают на цепочки к декоративным столбикам, чтобы украсить садовые дорожки.
- Торшерные. Торшерный светильник имеет специальную опору, на которую он свободно опирается. Как и предыдущие модели, такой светильник станет хорошим дополнением садовой дорожки.
Плюсы и минусы
Замысел создать независимую от сетевых источников систему наружного освещения, которое будет само обеспечивать себя электроэнергией, привлекателен и весьма заманчив. Возникает комплекс осветительных приборов, созданный на совершенно иных принципах и создающий новые возможности.
Поскольку соединения с линией электропитания у светильников не имеется, отпадает необходимость в привязке к одному месту. Фонари можно перемещать по мере необходимости, временно устанавливая то в одном, то в другом месте. Значительно упрощается прокладка линий освещения, исчезает необходимость в проведении земляных работ, отпадает потребность в большом количестве дорогостоящего кабеля.
Однако, рассматривая автономную систему освещения, нельзя видеть только положительные стороны от ее использования. Необходимо учесть, что каждый светильник должен обладать собственным комплектом солнечных батарей и накопительной емкостью, позволяющей лампе работать на протяжении всего темного времени суток. Чем оно длительнее, тем мощнее должны быть аккумуляторы и больше площадь фотоэлементов, что усложняет конструкцию и делает ее значительно дороже. В результате может получиться ситуация, когда создание автономной системы окажется значительно дороже, чем монтаж стационарной линии.
Назначение
Автономное освещение на солнечных батареях предназначено для обеспечения нормальной видимости на улицах города или на участках частных домов в темное время суток. В отличие от стационарных фонарей, уличные фонари на солнечных батареях для освещения улиц требуют определенного времени на зарядку аккумуляторов, которая производится в светлое время суток. Как правило, освещение в такие часы не требуется, поэтому оборудование имеет возможность восстановить истраченный за ночь запас энергии.
Подобное освещение можно сделать при помощи обычных светильников и протянутого между ими кабеля или установив светильники на солнечных батареях
Достоинства
Почему частично? Потому что наиболее «ответственные» зоны (ворота, парковка, входные двери) придется освещать стационарно — так надежнее. Зато на остальной площади можно поставить светильники на солнечных батареях. Они имеют целый ряд преимуществ.
- Светильники на солнечных батареях обычно автономны, их не надо никуда подключать. Их устанавливают/развешивают в нужных местах, на этом монтаж закончен, они готовы к работе.
- Включаются/выключаются они сами, от встроенных датчиков.
Простота монтажа и безопасность — два больших плюса - Требуют минимального ухода — надо периодически протирать фотоэлементы и плафон светильника от пыли и грязи.
- Имеют длительный срок службы — от 10 лет и более (при надлежащем качестве).
- Не наносят вреда окружающей среде и абсолютно безопасны, так как работают от низкого напряжения, которое не опасно для человека.
- Если уличное освещение на солнечных батареях сделано на даче, его консервация на зиму и установка занимает совсем немного времени. Надо просто собрать светильники перед отъездом и расставить по приезде.
Недостатки
Как видите, плюсов немало, главный из которых — экономия электроэнергии и очень простой монтаж/демонтаж. Но и минусы есть:
- Садовые и уличные светильники на солнечных батареях свет дают обычно не очень яркий. Использовать их в качестве охранного освещения не получится. Вернее, есть мощные модели, которые применяют даже для освещения автотрасс, но их стоимость совсем негуманная, из-за чего использование их на частных подворьях очень ограничено.
Уличное освещение на солнечных батареях обычно не очень яркое - Количество часов работы в ночное время зависит от погоды: при пасмурной дождливой погоде светильники «запасают» слишком мало энергии. Иногда ее хватает лишь на несколько часов, а не на всю ночь.
- Надежные светильники на солнечных батареях стоят дорого, зато работают надежнее и дольше.
- Солнечные панели имеют ограниченный диапазон эксплуатационных температур. Они плохо переносят сильные морозы и сильную жару. Потому использоваться оптимально могут на территориях с умеренным климатом.
Как видите, вариант не идеальный, но действительно помогает экономить на электричестве, ведь штатное освещение ответственных зон — это далеко не половина расходов на общее освещение двора и сада.
Основные характеристики
Качество подобного устройства определяется применяемым кремнием. В недорогих светильниках используют его поликристаллическую или аморфную разновидности. Монокристаллический кремний может работать в любой сезон, он стоек к агрессивному воздействию. Если нет возможности приобрести монокристаллический элемент, лучше использовать мультикристаллические солнечные батареи.
Для придания долговечности изделиям их покрывают специальной пленкой.
Производители стали изобретать маркетинговые ходы для скрытия некоторых изъянов своей продукции. В частности, поликристаллические устройства стали называть уличными светодиодными фонарями, но срок их нормальной службы составит только один сезон.
Длительным сроком эксплуатации могут похвастаться брендированные устройства. Здесь достаточно мощный фотоэлемент, солнечный свет в него попадает в глубокие слои, что обеспечивает стабильную работу светильников в течение продолжительного времени. У китайских светильников толщина фотоэлемента сравнима с фольгой, поэтому срок службы его гораздо меньше.

На освещение оказывает влияние и структура стекла. При преобладании дней с пасмурной погодой лучше использовать текстурированное стекло, поскольку оно накапливает излучение, в то время как гладкая поверхность способствует его частичному отражению. Наиболее дорогое и долговечное покрытие — закаленное стекло.
Принципиальная схема простого для повторения светильника
Приведенная ниже принципиальная схема светильника, работающего от энергии солнечного света весьма проста, и многократно опробована многочисленными любителями, специализирующихся на изготовлении полезных устройств своими руками.

Принципиальная схема
Как она работает:
- В дневное время солнечная панель (S) преобразует энергию световых лучей в электрическую.
- Вырабатываемый ею ток через диод D1 заряжает аккумуляторную батарею (А).
- Положительный потенциал, приложенный к базе через резистор R1, «удерживает» транзистор Т1 в закрытом состоянии и светодиод D2 не горит.
- При значительном снижении освещенности солнечной панели транзистор открывается (из-за уменьшения положительного потенциала, приложенного к базе) и подключает светодиод D2 к аккумуляторной батарее. Светодиод начинает гореть.
- Диод D1 препятствует разряду аккумулятора через солнечную панель.
- С наступлением рассвета положительное напряжение, поступающее с «+» вывода солнечной панели на базу «закрывает» транзистор Т1 и светодиод D2 перестает гореть, а аккумуляторная батарея снова начинает заряжаться.
Схема светодиодного светильника
Схема светильника, у которого в качестве источника света, используются светодиоды, аналогична выше приведенной, с той лишь разницей, что при наличии нескольких светодиодов в одном светильнике, появляется возможность создать режим работы устройства, когда в зависимости от заданных параметров, светят лишь часть светодиодов или все их количество.
Простейшая электронная схема подобного устройства, может выглядеть следующим образом: 
Работа светодиодов осуществляется от аккумуляторов, которые заряжаются от солнечной батареи. Стабилизаторы, диоды и катушки индуктивности, обеспечивают требуемые параметры напряжения в цепях питания и зарядки. Светодиоды светятся одновременно, при достаточном заряде аккумуляторных батарей.
Улучшаем садовые светильники
Наиболее дешевыми моделями являются китайские. Со временем к покупателю таких товаров приходит понимание того, что нужно что-то сделать, чтобы улучшить их конструкцию или эффективность действия. При улучшении происходит замена некоторых элементов светильников на более мощные. Таким образом, можно заменить аккумулятор или светодиод, а также дроссель, используемый в фонарях типа башни. Установка более мощного дросселя поможет добиться яркого свечения, идущего от светильника. Это действие автоматически ведет к замене аккумулятора, поскольку его мощности перестанет хватать на долгий срок, или он может просто выйти из строя.

Вместо одного светодиода можно использовать три, но при монтировании их нужно следить, чтобы разброс напряжения был минимальным, иначе в одном месте освещенность будет повышенной яркости, а в другом пониженной.
Таким образом, ремонт садового светильника на солнечных батареях в основном сводится к замене отдельных деталей.
Уличное светодиодное освещение
Им не страшны погодные условия, корпус защищен от влаги, а их устройство исключает короткое замыкание.
Главный плюс и преимущество всех видов таких батарей — они работают автономно, и в качестве источника питания используют энергию солнца. Такой процесс возможен благодаря поверхности (фотоэлементу), которая аккумулирует энергию света и отдает ее светодиодам различных цветов. Светодиодам нужно совсем мало электричества, при этом их свет довольно яркий и обязательно будет замечен в дизайне садового участка.
Чтобы гирлянды работали всю ночь, важно, чтобы днем аккумуляторы зарядились и собрали как можно больше энергии. Расположить их нужно на южной стороне сада, где большую часть дня светло
Нежелательно располагать их в тени деревьев, это может снизить КПД.
Для беседки также необходимо продумать правильное размещение гирлянд. Лучше всего подойдет крыша или фасады. Размещение фотоэлемента за стеклом снизит эффективность примерно на 30 %.
Для оптимального освещения беседки можно выбрать гибкие ленты, они будут заряжать аккумуляторы, а в ночное время энергию можно использовать на гирлянду или работу светодиодной лампы.
Устройство и принцип работы
Для того чтобы понять принцип работы рассматриваемого оборудования, необходимо разобраться со схемой садового светильника на солнечных батареях. Составными элементами данного устройства являются:
- блок освещения (светодиод, как правило);
- преобразователь энергии;
- устройство, осуществляющее контроль включения и отключения;
- аккумулятор;
- крепеж.
Сам светильник состоит из корпуса, в котором находится светодиод. Рядом расположены контрольная плата и аккумулятор. Над ними находится фоторезистор, солнечная панель и защитное стекло.
Днем при солнечной погоде преобразователь аккумулирует солнечную энергию и преобразует ее в электрическую, которая поступает в аккумулятор. Данная энергия и позволяет функционировать садовому фонарю в темное время суток.
Более дорогие модели данных устройств имеют контроллер движений, который автоматически включает светильник при приближении человека.
В устройство садового светильника на солнечных батареях входят транзистор или микросхема, выполняющие функцию датчика, с помощью которых светодиод отключается при полном разряде батареи либо может уменьшать яркость освещения в случае потери части заряда.
Как собрать садовый светильник на солнечных батареях своими руками
Типовая схема таких светильников очень простая, она состоит всего из семи элементов:
- резистор 47КОм;
- резистор 56Ом;
- диод КД243А (либо импортный 1N4001/7/ 1N4148);
- транзистор КТ361Г (либо импортный 2N3906);
- аккумулятор 3,7В/1500мАч;
- солнечная панель 5,5В/2Вт;
- светодиоды — один мощностью 3 Вт или несколько по 1-1,5Вт.
Ниже приведена базовая схема светильника на солнечной батарее.

Принцип действия предложенной цепи прост. Когда солнечный свет падает на панель, транзистор закрыт, и энергия накапливается на аккумуляторе. Когда на солнечную панель перестает попадать свет, транзистор открывается, и ток идет на светодиоды. Таким образом, в течение светового дня светильник заряжается, а вечером и ночью он светится. Для заряда хватает восьми часов, а время работы зависит от емкости аккумулятора и силы свечения светодиодов.
Собрать схему способен даже начинающий любитель. Есть несколько вариантов монтажа.
- Самостоятельно сделать небольшую плату (2х3см), вытравить на ней дорожки, а затем припаять все элементы схемы.
- Собрать схему без платы навесным монтажом. Но тогда позаботьтесь о качественной изоляции для стыков проводков и элементов, чтобы при помещении всех элементов в корпус фонарика не случилось замыкания цепи.
В обоих случаях схема без труда поместится в колпачке от дезодоранта. Там же можно разместить и аккумулятор. А солнечную панель при помощи термоклея можно прикрепить сверху. Для усиления яркости светильника используйте отражатель. Его делают из фольги или старого компакт-диска.





































