Банная печь с бойлером
Банная печь с бойлером популярна среди пользователей, благодаря экономичности. КПД устройства повышается из-за внедрения оборудования для использования отработанных газов в с целью повышения производительности. Происходит подогрев воды в бане с помощью газов. Температура жидкости достигает комфортной величины для мытья посуды и удовлетворения бытовых потребностей.
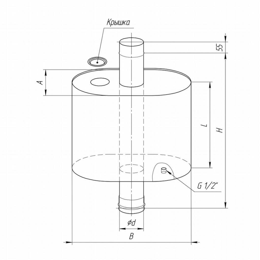
Везувий скиф 16 вчт
Везувий скиф 16 ВЧТ имеет теплообменник на печь с внутренним нагревателем воды. Он расположен слевой или правой стороны, зависит от модели. Встроенная сетка обеспечивает привлекательный внешний вид конструкции. Стальная топка имеет толстые стенки до 8мм. Вся конструкция герметична.
Для фиксации деталей применяется болтовое соединение. Металлическая основа кожуха покрыта термостойкой краской. На стыке между элементами керамический шнур устойчив к температуре 1200 градусов. Прочная банная печь имеет топочный тоннель, позволяющий закладывать дрова из смежного помещения.

Торнадо 20м2
Торнадо 20м2 имеет внутренний теплообменник для бани из нержавейки. Сама печь прочная, дополнена чугунной дверцей. Нагрев воды в бане с помощью теплообменника, встроенного внутрь происходит быстро, сохраняя тепло на долгое время. Мощное устройство требует укрепление места установки на полу. Тяжелая конструкция имеет длительный срок эксплуатации, проста в использовании.
Harvia 20 sl boiler
Привлекательная печь Harvia 20 sl boiler от финского производителя весит 80 кг. Вместительная конструкция размещает 45 кг камней, которые используются для отражения тепла, поддания пара. Выносное банное устройство имеет вмонтированный конденсатор, рассчитано на парилку площадью 20 квадратных метров. Устойчивые ножки надежно фиксируют местоположение печи с рамкой из нержавейки.
Установка теплообменника
Много людей, которые собрали агрегат своими руками, задаются вопросом как правильно установить теплообменник для банной печи. От этой процедуры зависит максимальный эффект, который можно добиться от устройства. Важным моментом выступает высота монтажа бака для воды, она должна превышать высоту крепления теплообменника. Процесс монтажа и установки должен выполняться при помощи металлических, или можно использовать металлопластиковые трубы, соединяемые основные элементы системы.
Чтобы все делалось правильно, нужно выполнять следующие условия:
- горячая вода перемещается к основному баку под углом 30 градусов, если не предусмотрена установка насоса;
- соединительная схема подключения теплообменника бани предусматривает трубу для подачи холодной воды, размещаемой ниже под углом 2 градуса;
- на баке для воды должен присутствовать кран забора воды;
- предусматривается кран для слива воды из системы;
- крепления не должны обеспечивать плотную фиксацию труб к стене. В процессе нагрева материал расширяется, а неправильные фиксаторы могут стать причиной аварии;
- мощность всего нагревательного оборудования должна быть пропорциональна, предварительно рассчитанная;
- если теплообменник будет крепиться на дымоход диаметром 115 мм, следует делать легкую конструкцию;
- в местах соединения труб и агрегатов, рекомендуется использовать уплотнители, способные выдерживаться большие температуры. Это предотвратит протечки жидкости.
Особое внимание уделяется материалу из которого изготавливается самодельное или покупное оборудование. Его основной характеристикой должна выступать оптимальная работа при высоких температурах
Если это условие не выполняется, нужно подобрать соответствующий материал.
Как сделать теплообменник самостоятельно?
Покупать дорогие изделия из нержавейки для эксплуатации в бане нецелесообразно. Теплообменник для печи в бане можно легко изготовить самостоятельно. Как сделать теплообменник банной печи своими руками? Пошаговая инструкция будет ниже.
Материалы и инструменты
Какие материалы имеют для теплообменника печи в бане первостепенное значение? Зависит от того, сколько воды нужно нагреть. Вот примерный список того, что понадобится:
- металлический лист, толщина 2-3 мм — S=2*(0,40*0,80+0,40*0,20)+0,80*0,20 = 2*(0,32+0,08)+0,16 = 0,96 м2
- кран Ø32 мм — 2 шт.
- обратный клапан Ø32 мм — 1 шт.
- фитинги Ø32 мм— 6 компл.
- патрубки Ø32 мм — 6 шт.
- вентиль Ø32 мм (для слива) — 1 шт.
- труба металлическая, гофрированная Ø32 мм — 3 м.
- труба Ø32 мм (холодный водопровод) — по необходимости.
- уплотнительный шнур для герметизации соединений — 1 упак.
- электроды — 1 пачка.
Какой инструмент используется? Вот список:
- сварочный инвертор;
- «болгарка»
- прочие инструменты.
Расчет размеров
Мощность нагревателя должна соответствовать мощности самой печи. Рекомендуют сделать теплообменник, руководствуясь следующим:
- Теплообменник не должен потреблять больше 10% от мощности самой печи. В таком случае, мощности печи хватит и на обогрев помещения. Топливо будет расходоваться максимально эффективно. Время нагрева не увеличится.
- Суммарная длина труб не должна превышать 3 метра. Нужно сделать необходимый уклон, который составляет 2500 на прямой подаче, а на обратной — больше 300 в сторону печки. Так теплоноситель будет эффективно подаваться самотеком. В противном случае, не обойтись без насоса.
- Воды должно быть достаточно. Она должна нагреваться не более двух часов, но не закипать. Если сделать бак слишком малого объема, теплоноситель очень быстро закипит. Если котел находится непосредственно в парилке, мыться там будет очень тяжело. Тяжелый пар заполнит помещение и нормально дышать станет невозможно. При слишком большом объеме бака из металла, теплоноситель может и вовсе не нагреться.
- Не забудьте, что когда печь прогорит, вода все же какое-то время должна оставаться горячей. Поэтому, нужно заложить необходимый запас мощности.
Учитывая все вышесказанное, попробуем подобрать оптимальный теплообменник из металла. Принимаем, что для прогрева воздуха в бане нужно 5 кВт. Тогда мощность теплообменника из металла составит 10 кВт, а его площадь — 1 м2. На возможные теплопотери отнесем 3 кВт. Тогда монтаж 1 м2 теплообменника даст нам 7кВт энергии. Время нагрева воды — 2 часа. Тогда требуемую площадь теплообменник определим по формуле: S = 1/7*W, где
W = 0,00117*V*(tk-tн) /T= 0,00117*65*(70-10) /2= 2,3кВт, отсюда S = 1/7*W=1/7*2,3 = 0,33 м2, где S — требуемая площадь теплообменника, м2;
W — требуемая мощность теплообменника, кВт (важно определить ее правильно); V — объем воды, которую надо нагреть, принимаем 65 л (достаточно для 4-х человек); tk – требуемая температура воды, принимаем 700С (оптимальная температура горячей воды); tн – изначальная температура воды, принимаем 100С. Требуемая мощность печи — 5+2,3 = 7 кВт. 0,3 кВт можно не учитывать, т
к. 10% от изначальной мощности печи — допустимая потеря (0,3кВт
0,3 кВт можно не учитывать, т. к. 10% от изначальной мощности печи — допустимая потеря (0,3кВт
Инструкция по изготовлению
- Правильно изготовим 2 бака для воды: один лучше делать в форме цилиндра (для теплообменника), второй — прямоугольный (выносной). Размеры рассчитываем индивидуально, исходить лучше из расчета выше и собственных потребностей.
Варианты конструкций
- Изготавливаем змеевик, устанавливаем в бак.
Пример конструкции змеевика 1
Пример 2
Пример 3
Пример 4
- Наполняем водой и испытываем в течении 6 часов. Все швы должны быть герметичны, отпотин и утечек быть не должно. Содержание воды в баке при отрицательной температуре запрещено.
- Привариваем 2 патрубка для прямой и обратной (нижней) подачи, чтобы организовать циркуляцию.
Рекомендации по изготовлению
Многие домовладельцы, не обладающие возможностью приобретать готовые изделия или не желающие это делать, используют у себя в бане самодельные печи, сваренные из металла и обложенные кирпичом. Другой, не менее популярный вариант – это нанять мастера-печника, чтобы он сложил добротную кирпичную печку. При этом нет большой проблемы в том, чтобы оборудовать ее змеевиком либо внутренним бачком для подогрева воды.
Чтобы изготовить теплообменник для печи своими руками в виде прямоугольного бачка, надо взять нержавеющий лист толщиной 1,5-2 мм либо обычный металл (не менее чем 3 мм). Форма бачка прямоугольная, размеры зависят от места его установки. По этому вопросу следует посоветоваться с мастером, выполняющим кладку печи. С ним стоит согласовать не только размеры теплообменника, но и толщину металла, ведь конструкцией источника тепла может предусматриваться его установка как непосредственно в топке, так и в дымоходном канале
Важно выдержать требование: объем бачка не должен превышать 5 л
Вмонтировать в стальную или кирпичную печь можно и самодельный змеевик. Для этого необходимо взять стальную или нержавеющую трубу и придать ей необходимую форму на станке – трубогибе. Другой способ, подходящий для кирпичных печей, – смастерить сварную конструкцию из нескольких труб в виде радиатора. Обычно место под его установку предусмотрено конструкцией и располагается в одном из газоходов. Тогда для изготовления подойдет труба из обычного металла со стенкой 3-4 мм.
Сделать стальную печь с теплообменником своими руками гораздо проще, если не встраивать его внутрь, а поставить на дымоход. То есть применить нагреватель самоварного типа.
Как правильно выбрать?
Выбор того или иного нагревателя зависит от начальных условий и поставленных перед ним задач. Внутри печи он гораздо быстрее нагреет жидкость, но она может закипать. Образуется накипь, которая быстро выводит прибор из строя. Правильный расчет необходимой мощности позволяет избежать этой проблемы.
Расположенный возле дымохода печи, внешний нагреватель занимает больше места, жидкость греет значительно медленнее. Зато, к нему всегда есть доступ. В случае поломки, его легко починить или заменить. Теплоноситель закипает редко, просто не набирает столь высокую температуру, поэтому накипь не образуется. Выбор остается за хозяином.
Мнение эксперта
Павел Круглов
Печник с 25-летним стажем
Можно приобрести заводскую модель, которая будет стоить от 10 000 рублей, в зависимости от мощности. Стоимость качественной кирпичной печи с теплообменником начинается от 20 000 рублей, но, практика показывает, что она будет не так эффективна.
Ничего хитрого в устройстве прибора нет, насколько оправдана такая покупка — большой вопрос. Все можно установить своими руками.
Расчет мощности
Правильный выбор теплообменника должен учитывать показатели основного нагревательного прибора. Здесь учитываются объем и мощность печи для бани.
Чтобы подобрать оптимальное оборудование и комплектующее нужно учитывать такие правила:
банная печь отдает часть энергии теплообменнику. Не рационально применять большие емкости, чтобы можно было нагреть больший объем воды. Подобный подход может значительно снизить комфортность пребывания в парилке, увеличить расход топлива и создать неблагоприятный микроклимат. Бак с водой не должен забирать на себя больше 10% всей вырабатываемой энергии;
отопительные радиаторы и теплообменник между собой соединяются трубами. Если в бане не предусмотрено устройства водного насоса для поддержания правильной циркуляции, длина труб не должна превышать 3 метра. Здесь учитывается диаметр трубопроводов и рациональный уклон, который обеспечивает самотечность
Использование насоса дает возможность увеличивать длину трубопровода и не придерживаться уклонов;
важно создать баланс между быстрым и медленным нагревом жидкости в системе. Не допускать постоянного закипания воды
Если для теплообменника используется маленький бак, закипание произойдет через 2 часа и приведет к образованию большого количества некачественного пара. При монтаже объемного теплообменника, нагревание не будет происходить вовремя, и процесс затянется на несколько часов. Следует создать такие условия, чтобы вода была горячей через 2 часа после розжига банной печи.
Теперь поговорим об оптимальных размерах теплообменника. Он должен иметь запас мощности, что позволит поддерживать тепловой режим после затухания отопительного устройства
Безусловно, вода начинает остывать быстро, поэтому важно создать правильный агрегат, позволяющий как можно дольше поддерживать температуру
Рассмотрим пример расчета мощности. Сначала нужно определить мощность оборудования, которое сможет обеспечить прогрева комнаты. Для примера будем оперировать 5 кВт, способными поддерживать микроклимат.
Теплообменник нужно брать с запасом. Принимаем его площадь 1 метр квадратный, способный работать при мощности 10 кВт.
Объяснение. Ведя расчеты нужно учитывать пропорцию – 10 кВт приравниваем к 1 квадратному метру. Чтобы учесть все потери тепла, проводится корректировка значений. Формула приобретает следующий вида – 1 м. кв. = 10 кВт – 3 кВт.
Используя такой подход, можно достичь нужной температуры помещения, растопи печь один или два раза.
Ассортимент R-sauna.ru
Мы предлагаем печи с теплообменником для воды в баню от ведущих отечественных и зарубежных производителей линеек:
- Harvia – финский производитель отопительного оборудования для бань и саун премиум класса, с более чем 50-и летней историей, продукты компании распространены в 80 странах по всему земному шару.
- Термофор – отечественный производитель банного отопительного оборудования, предлагающий продукцию европейского качества по сдержанной цене.
- Варвара – продукция этой марки отличается высоким качеством при сдержанной цене. Снижение стоимости достигается за счет экономии на транспортировке.
- Широкий ассортимент продукции высокого качества.
- Доставку по Москве, области и удаленные регионы России.
- Помощь в выборе оборудования под ваши запросы.
Для получения консультации и приобретения оборудования свяжитесь с менеджерами по телефону или оставьте заявку на обратный звонок.
Что нужно знать об эксплуатации аппарата
Не менее ответственным занятием является выбор печи, оснащенной подобным устройством. Рассматривая различные модели, необходимо быть предельно внимательным, чтобы не пропустить мельчайших нюансов. Предлагаем ознакомиться с основными правилами, определяющими безопасность эксплуатации устройств:
- Крепление за счет подвижных соединений компенсирует температурную деформацию и изменение размеров узлов аппарата во время их нагрева.
- Полезная мощность является важным показателем, который должен учитываться при проведении всех необходимых расчетов.
- Желательно, чтобы габариты теплообменника соответствовали характеристикам печи. На выполнение функций устройства должна отдаваться лишь десятая часть всего тепла, вырабатываемого в отопительном агрегате.
- Необходимо, чтобы выносной бак вмещал в себя столько воды, сколько может нагреться буквально за два часа с момента растопки печи.
- Все уплотнители, устанавливаемые в местах соединения элементов системы, должны быть изготовлены из материалов, устойчивых к воздействию высокой температуры.
Основных требований немного, но их соблюдение является обязательным при установке и эксплуатации аппарата. Это способствует значительному повышению долговечности устройства.
Виды теплообменников
По способу нагрева, методу установки, конструкции нагреватели воды различаются на 2 вида.
Модель самоварного типа
Аппарат самоварного типа относится к расположенным возле корпуса печи. Нагрев поверхности осуществляется при контакте горячей трубы, дымовых газов с поверхностью устройства.
Устройство самоварного типа рекомендуется использовать для небольших бань, где моечное отделение совмещено с парилкой. Жидкость не сливается в накопительную систему. Она всегда находится внутри. Объем бака от 40 л.
При выборе устройства самоварного типа учитываются технические особенности:
- Конструкция эксплуатируется только вместе с данным теплогенератором.
- Нельзя растапливать печь, если бак пустой. Металл быстро прогорит, устройство придется выбросить.
- Нельзя оставлять остывшую воду на продолжительное время.
- Не подходит для финской сауны с сухим паром. При разогреве образуется пар, который поднимает влажность парилки. Микроклимат не подходит для парения.
- Перед зимой требуется слив воды из системы. Иначе жидкость замерзнет, трубы лопнут.
Из минусов выделяется сложность слива излишков горячей воды. Поэтому модель больше подходит для небольших бань с непродолжительным временем растопки.
Теплообменник самоварного типа с функцией подключения к баку
Небольшой теплообменник самоварного типа, который монтируется на дымоход. Отличие от первой модели в возможности подключения к накопительному баку. Объем устройства небольшой, поэтому нагрев воды осуществляется быстро.
Плюсы устройства:
- Легко монтируется на любые дымоходы.
- Устройство имеет крышку, поэтому пар не попадает внутрь помещения.
- Быстрый нагрев горячей воды любого объема. Регулируется размерами накопителя.
- Устанавливается на дровяную или электрическую печку.
Работает устройство за счет нагрева стенки о дымоход. Из минусов выделяется:
- Если объем накопительного бака небольшой, то воду приходится сливать. Иначе она начнет закипать.
- Сложный монтаж на старый кирпичный дымоход.
Встроенный в тело печи
Различают два вида встроенных конструкций:
- Состоит из двух цилиндров, соединенных трубами.
- Основание изготовлено змеевиком с двумя штуцерами.
Принцип работы: змеевик располагается внутри тела трубы. Из дымохода выходят два штуцера 3/4 дюйма. Они имеют внутреннюю резьбу. В штуцеры вставляются патрубки, которые соединяются с системой подачи воды, накопителем.
Плюсы модели:
- Не занимает место возле дымохода.
- Эстетический внешний вид теплообменника.
- Внутри трубы температура выше, поэтому подогрев происходит быстрее, с меньшими энергозатратами.
Минусы конвектора:
- Постепенно на стенках бака скапливается накипь, устройство теряет КПД,
- Сложное обслуживание. Чтобы достать устройство из дымохода или теплообменника необходимо разбирать трубу.
Какой нагреватель предпочесть зависит от того, что выбирать — удобство обслуживания или меньшие энергопотери при нагревании, эстетичность.
Что это такое
Устройство служит для нагрева воды в бане. Его принцип работы основан на физических свойствах горячей воды, расширяющейся и поднимающейся вверх, а холодная при этом остается внизу.
Обычно теплообменник небольшого размера, поэтому жидкость в нем быстро нагревается. К нему присоединяются две трубы – снизу и сверху. Таким образом, горячая по верхнему патрубку, замещаемая снизу холодной, поднимается в бак, который может находиться как в парилке, так и в смежном помещении, как правило – в мойке. При этом вода низкой температуры по нижней трубе постоянно без принудительной подачи добавляется в устройство для нагрева.
Варианты нагрева воды в бане от печи
Выделяют следующие модели:
1. Емкость самоварного типа – устанавливается на выходной патрубок дымохода. Нагрев происходит за счет тепла уходящих в трубу дымовых газов. К штуцеру на дне бака подсоединяется кран для разбора горячей воды. Если у вас нет помывочной, то данный вариант будет отличным решением для нагрева
Мы рекомендуем обратить внимание на следующие условия эксплуатации:
- использование бака самоварного типа допускается только с печами для бань;
- запрещается эксплуатировать пустой бак во время работы печи;
- если вы хотите получить «финскую сауну» данный вариант нагрева воды вам не подойдет, так как в случае долгого разогрева парной жидкость начнет кипеть, из-за чего образуется тяжелый пар.


2. Теплообменник самоварного типа (небольшого размера с возможностью подключения к баку), который можно расположить в любом месте. Удобен тем, что при его наличии, бак можно разместить в помывочной. Из очевидных преимуществ перед остальными вариантами – быстро нагревает воду.


3. Теплообменник, который устанавливается на стартовый дымоход.
4. Стартовый дымоотвод + бак-рюкзак – вариант с нахождением в парной и отсутствием регулируемой конвекции для прогрева помещения. Емкость соприкасается со стенкой трубы дымохода, за счет чего происходит нагрев жидкости. Из недостатков также можно отметить, что данная модель не имеет защиты от жесткого инфракрасного излучения, и в случае сильного нагревания, вода начинает кипеть.
5. Дымоход-конвектор со встроенным в него нагревателем.
Особенности: регистр находится внутри трубы, из которой выходят 2 одинаковых штуцера ¾ дюйма с внутренней резьбой. С помощью патрубков устройство соединяется с баком, висящим в удобном месте.
Может быть:
- Вмонтирован в печь – при появлении накипи теряет КПД.
- Расположен возле дымохода (на нем) – медленнее обеспечивает нагрев до необходимой температуры, зато на его внутренней поверхности ничего не оседает, к нему имеется легкий доступ, и его ремонт не составляет труда.
Выбор зависит от пользователя: чему отдать предпочтение, производительности или комфорту в обслуживании, экономии полезной площади или топлива.
Как сделать теплообменник самостоятельно?
Покупать дорогие изделия из нержавейки для эксплуатации в бане нецелесообразно. Теплообменник для печи в бане можно легко изготовить самостоятельно. Как сделать теплообменник банной печи своими руками? Пошаговая инструкция будет ниже.
Материалы и инструменты
Какие материалы имеют для теплообменника печи в бане первостепенное значение? Зависит от того, сколько воды нужно нагреть. Вот примерный список того, что понадобится:
- металлический лист, толщина 2-3 мм — S=2*(0,40*0,80+0,40*0,20)+0,80*0,20 = 2*(0,32+0,08)+0,16 = 0,96 м2
- кран Ø32 мм — 2 шт.
- обратный клапан Ø32 мм — 1 шт.
- фитинги Ø32 мм— 6 компл.
- патрубки Ø32 мм — 6 шт.
- вентиль Ø32 мм (для слива) — 1 шт.
- труба металлическая, гофрированная Ø32 мм — 3 м.
- труба Ø32 мм (холодный водопровод) — по необходимости.
- уплотнительный шнур для герметизации соединений — 1 упак.
- электроды — 1 пачка.
Какой инструмент используется? Вот список:
- сварочный инвертор;
- «болгарка»
- прочие инструменты.
Расчет размеров
Мощность нагревателя должна соответствовать мощности самой печи. Рекомендуют сделать теплообменник, руководствуясь следующим:
- Теплообменник не должен потреблять больше 10% от мощности самой печи. В таком случае, мощности печи хватит и на обогрев помещения. Топливо будет расходоваться максимально эффективно. Время нагрева не увеличится.
- Суммарная длина труб не должна превышать 3 метра. Нужно сделать необходимый уклон, который составляет 2500 на прямой подаче, а на обратной — больше 300 в сторону печки. Так теплоноситель будет эффективно подаваться самотеком. В противном случае, не обойтись без насоса.
- Воды должно быть достаточно. Она должна нагреваться не более двух часов, но не закипать. Если сделать бак слишком малого объема, теплоноситель очень быстро закипит. Если котел находится непосредственно в парилке, мыться там будет очень тяжело. Тяжелый пар заполнит помещение и нормально дышать станет невозможно. При слишком большом объеме бака из металла, теплоноситель может и вовсе не нагреться.
- Не забудьте, что когда печь прогорит, вода все же какое-то время должна оставаться горячей. Поэтому, нужно заложить необходимый запас мощности.
Учитывая все вышесказанное, попробуем подобрать оптимальный теплообменник из металла. Принимаем, что для прогрева воздуха в бане нужно 5 кВт. Тогда мощность теплообменника из металла составит 10 кВт, а его площадь — 1 м2. На возможные теплопотери отнесем 3 кВт. Тогда монтаж 1 м2 теплообменника даст нам 7кВт энергии. Время нагрева воды — 2 часа. Тогда требуемую площадь теплообменник определим по формуле: S = 1/7*W, где
W = 0,00117*V*(tk-tн) /T= 0,00117*65*(70-10) /2= 2,3кВт, отсюда S = 1/7*W=1/7*2,3 = 0,33 м2, где S — требуемая площадь теплообменника, м2;
W — требуемая мощность теплообменника, кВт (важно определить ее правильно); V — объем воды, которую надо нагреть, принимаем 65 л (достаточно для 4-х человек); tk – требуемая температура воды, принимаем 700С (оптимальная температура горячей воды); tн – изначальная температура воды, принимаем 100С. Требуемая мощность печи — 5+2,3 = 7 кВт. 0,3 кВт можно не учитывать, т. к
10% от изначальной мощности печи — допустимая потеря (0,3кВт
0,3 кВт можно не учитывать, т. к. 10% от изначальной мощности печи — допустимая потеря (0,3кВт
Инструкция по изготовлению
Правильно изготовим 2 бака для воды: один лучше делать в форме цилиндра (для теплообменника), второй — прямоугольный (выносной). Размеры рассчитываем индивидуально, исходить лучше из расчета выше и собственных потребностей.
Варианты конструкций
Изготавливаем змеевик, устанавливаем в бак.
Пример конструкции змеевика 1
Пример 2
Пример 3
Пример 4
- Наполняем водой и испытываем в течении 6 часов. Все швы должны быть герметичны, отпотин и утечек быть не должно. Содержание воды в баке при отрицательной температуре запрещено.
- Привариваем 2 патрубка для прямой и обратной (нижней) подачи, чтобы организовать циркуляцию.
Устройство водяного пола от банной печи
Первоначально, водяной тёплый пол не предназначался для установки в банном помещении. Поэтому, при укладке такого «пирога» в бане, требуется укомплектовать его дополнительными элементами.
Устройство водяного тёплого пола от банной печи включает в себя несколько узлов:
Контур тёплого пола — это главный рабочий элемент, который уложен равномерно по всему полу помещения с определённым шагом, залитый стяжкой из бетонно-цементной смеси. Следует правильно выбирать модель труб, в данной ситуации не каждая подойдёт. Лучше всего использовать — медные, металлопластиковые или гофры из нержавеющей стали. Однако многие отдают предпочтение сшитым полиэтиленовым трубам с повышенной термостойкостью, со сроком службы не менее 30 лет, или полипропиленовым, с гарантийным сроком не меньше 50 лет.

Смесительный узел — важная часть система, так как печка не способна подогревать теплоноситель до нужного уровня. Она нагревает воду практически до стадии закипания, в таком состояние её нельзя поставлять в контур. Поэтому, необходим смесительный узел, в нём кипяток будет смешиваться с отработанным теплоносителем до требуемых 40 градусов, и в таком виде направляться в трубопровод. С помощью него осуществляется регулирование, настройка и автоматическое поддержание температурного уровня тёплого пола в нужном режиме.

Теплообменник — ёмкость, змеевик или регистр, расположенный над топкой, там нагревается жидкость от печи. При использовании антифриза — как теплоносителя, потребуется оборудовать отдельный теплообменник, тогда антифриз не сможет попасть в воду для мытья.

Циркуляционный насос — необходим, чтобы равномерно распределялся и двигался теплоноситель по трубопроводу. Без него тёплый водяной пол не может функционировать, так как он обеспечивает контур дополнительным давлением для циркуляции жидкости. Подбирая мощность насоса самостоятельно, нужно учитывать площадь отапливаемого помещения, чем она больше, тем выше должна быть его производительность.
Чтобы снизить нагрузку на насос, рекомендовано разделить трубопровод на несколько частей равной длины.

Дренаж — необходим для удаления лишней жидкости из парной и помывочной комнаты банного помещения. Обустроить его своими руками можно с учётом следующих двух моментов: соорудив отвод для воды — отверстие для слива, через него вода будет стекать в трубу и выводится в канализационную яму; залив стяжку с уклоном по направлению сливного отверстия — тогда вся вода будет стекать в сторону уклона.





































