Инструкция по самостоятельной сборке разных видов
Стоит рассмотреть другие конструктивные решения, разобрать их сильные стороны, особенности эксплуатации, зависимость их эффективности от топливной камеры и теплообменника.
Разновидности твердотопливных котлов:
- классические;
- пиролизные;
- верхнего либо нижнего горения.
Помимо разных принципов работы нагреватели часто оснащают вспомогательными устройствами: наддувом, автоматической подачей топлива.
Классический котел на дровах
Продолжительное горение происходит за счет режимов:
- ожидания – когда воздух в топку не подается;
- работы – когда по мере остывания теплоносителя автоматически включается наддув.
Подогретый воздух подается снизу, через колосники. Топливо сжигается, отдавая тепло стенкам водяной рубашки и своду с жаротрубным теплообменником.

Продолжительное горение происходит в классическом котле на дровах.
Последовательность и детали сборки:
- корпус – к днищу приваривают боковые и переднюю стенки, свод;
- теплообменник – начинается выше зольника;
- жаровые трубы теплообменника – сходятся в дымоходный патрубок;
- патрубки подачи, обратки, дымохода;
- воздуховод из профильной трубы 60–40 мм с фланцем для вентилятора;
- базальтовый утеплитель – по бокам и сверху бака;
- листы наружной отделки, дверцы – с уплотнением притворов асбестовым шнуром.
С верхним горением топлива
В принцип работы заложено медленное распространение горения сверху вниз. Эффект улучшен ограничением подачи воздуха. Его хватает на поддержку медленного тления – контролируемого сгорания.
Максимальное время 1 закладки – 20–24 часа.

В котле с верхним горением топлива горение распространяется медленно.
Оно напрямую зависит от следующих факторов:
- окружающей температуры;
- энергоэффективности дома;
- сухости дров;
- заданной температуры теплоносителя.
Даже в суровые морозы котел непрерывно работает 8–12 часов, что в 2–3 раза превосходит простые топки. Автоматический режим задается терморегулятором, механически связанным с воздушной заслонкой.
Водяной
Котел может быть сконструирован 2 способами, такими как:
- водяная рубашка вокруг топки;
- теплообменник внутри камеры сгорания.

Водяная рубашка находится вокруг топки.
Нагреватели водяного отопления для безопасной эксплуатации оснащают клапаном сброса избыточного давления, термометром, манометром – если система работает под давлением.
Пиролизный
Производительный, экономичный надежный – в нем используется эффект двойного сжигания: древесины и выделяемого ей газа. Последний тоже сгорает, а не идет в дымоход, как в обычной топке.
Твердотопливный
Большинство котлов практически всеядны: дрова, пеллеты, уголь, древесные отходы.
Стандартная конструкция:
- топка с колосниками – для загрузки топлива;
- заслонки – задают режимы работы, могут управляться автоматикой;
- теплообменник – водяной контур или бак с жаровыми трубами;
- дымоход.

Твердотопливный котел может работать на дровах или угле.
Самый простой твердотопливный вариант – это обычная топка под баком.
Кирпичный
Котел нижнего горения всегда работает в затухающем режиме. Для розжига датчик электроники включает вентилятор. Так поддерживается активное горение, пока теплоноситель не наберет заданной температуры.
Корпус сложен из кирпича, хорошо сохраняет тепло. Но температурное расширение провоцирует растрескивание швов – для сдерживания нужна обвязка железным уголком.
Теплообменник изготовлен из труб, по которым идет горячий дым – конструкция работает эффективнее водяной рубашки. Колосники ставят с наклоном для лучшего горения и оседания золы. Все дверки специальные – для монтажа в кирпичную кладку.
Шахтный
Уникальность конструкции – в вертикальной загрузочной шахте и топке.
Котел работает по принципу нижнего горения:
- Закладка дров поджигается через специальное отверстие.
- Температура в топке предварительно сушит дрова. Прогорая, они оседают под собственным весом.
- Приток кислорода не дает пламени распространяться вверх. Пиролизный газ уходит на дожигание.
Топливо: дрова, пеллеты, отходы древесины, опил, щепа.

Шахтный котел имеет вертикальную загрузочную топку.
Компоненты котла для сборки своими руками:
- Топк. Ее пропорции: высота в 2 раза больше ширины.
- Топливная шахта – размещается сбоку.
- Зольник – находится под шахтой, разделяется колосниками.
- Теплообменник, дымоход, заслонки, дверцы.
Шахтный котел – конструкция и принцип действия
Шахтный котел длительного горения отличается от других продолжительностью горения и особенностями устройства. Часто подбрасывать топливо не требуется, он имеет топливную камеру большого объема, горение медленное. Разработано два вида шахтных котлов: с обычным горением и пиролизный. Каждый имеет сходное устройство из двух камер: в одной сжигается топливо, во второй устроен теплообменник.
Шахтный котел с обычным сгоранием более простой по устройству. Половину всего объема занимает топка высотой почти на весь агрегат, но небольшой ширины и глубины. Сбоку или сверху находится люк для загрузки топлива. Топочное отделение при взгляде сверху внутрь напоминает шахту, отсюда такое название. Под топочной камерой находится зольник, отделенный от нее колосником. Через зольниковую дверку открывается доступ не только к нему, но и к топке. Шибером, расположенным под дверкой, регулируется поступление воздуха.
Шахтный котел не требует особого контроля за счет своей длительности горения
Вторая важная часть – камера с теплообменником, наполненным водой или, если котел не используется для водяного отопления, жаротрубный. Газы поступают в нее из топливника через отверстие и выходят через дымоход, попутно нагревая теплообменник. Из него вода по трубам поступает в систему или горячий воздух прогревает помещение.
Пиролизный котел шахтного типа имеет схожую конструкцию, но изготавливается с некоторыми дополнительными элементами:
- Камерами, в которых сгорает и догорает угарный газ. Располагаются снизу теплообменного пространства, стенки обложены шамотным кирпичом.
- Несколько труб с большим количеством маленьких дырочек. Через них подается воздух для камер сгорания и догорания.
- Вверху у стенки расположены задвижки для разделения двух камер.
Принцип действия пиролизного котла несколько другой. При топке ограничивают поступление воздуха, медленное горение вызывает образование большого количества газов, которые поступают в дополнительные камеры и сгорают. В котлах сжигают любое твердое топливо: уголь, дрова, пеллеты. Одной закладки угля хватает для пяти суток, дров – не более тридцати часов. За счет полного сгорания такие котлы обладают высоким КПД – до 90%.
Принцип работы пиролизных котлов и их особенности
Создавая пиролизные котлы своими руками, люди стремятся сэкономить денежные средства в своем кошельке. Если газовое оборудование стоит довольно дешево, то твердотопливные агрегаты просто поражают своей ценой. Более-менее приличная модель мощностью 10 кВт обойдется в 50-60 тысяч рублей – дешевле провести газ, если рядом проходила бы газовая магистрально. Но если ее нет, то выходов два – приобретать заводское оборудование или делать его самостоятельно.
Изготовить пиролизный котел длительного горения своими руками можно, но сложно. Давайте для начала разберемся, для чего вообще нужен пиролиз. В обычных котлах и печах дрова сгорают традиционным способом – при высокой температуре, с выбросом продуктов сгорания в атмосферу. Температура в камере сгорания составляет порядка +800-1100 градусов, а в дымоходе – до +150-200 градусов. Таким образом, солидная часть тепла просто улетает наружу.
Прямое сгорание дров применяется во многих отопительных агрегатах:

Твердотопливные пиролизные котлы могут использовать несколько видов топлива, в том числе отходы деревообрабатывающего производства и сельскохозяйственной переработки.
- Твердотопливные котлы;
- Печи-камины;
- Камины с водяными контурами.
Главным преимуществом данной методики является то, что она отличается простотой – достаточно создать камеру сгорания и организовать отвод продуктов сгорания за пределы оборудования. Единственным регулятором здесь становится дверка поддувала – регулируя просвет, мы можем отрегулировать интенсивность горения, тем самым воздействуя на температуру.
В пиролизном котле, собранном своими руками или купленном в магазине, процесс сгорания топлива идет несколько по-другому. Дрова здесь сгорают при низкой температуре. Можно сказать, что это даже не горение, а медленное тление. Древесина при этом превращается в подобие кокса, одновременно выделяя горючие пиролизные газы. Эти газы отправляются в камеру дожигания, где сгорают с выделением большого количества тепла.
Если вам кажется, что данная реакция не даст особого эффекта, то вы глубоко заблуждаетесь – если заглянуть в камеру дожигания, то здесь будет видно ревущее пламя ярко-желтого, почти белого, цвета. Температура сгорания – чуть выше +1000 градусов, а тепла в этом процессе выделяется больше, чем при стандартном горении древесины.
Для того собранный своими руками пиролизный котел смог показать максимальную эффективность, необходимы дрова с низким содержанием влаги. Влажная древесина не даст оборудованию выйти на полную мощность.
Реакция пиролиза знакома нам еще со школьного курса физики. В учебнике (а может и в лабораторном кабинете) многие из нас видели интересную реакцию – древесина помещалась в стеклянную запечатанную колбу с трубкой, после чего колба нагревалась над горелкой. Через несколько минут древесина начинала темнеть, а из трубки начинали выходить продукты пиролиза – это горючие газы, которые можно было поджечь и понаблюдать за желто-оранжевым пламенем.
Аналогичным образом работает и пиролизный котел, собранный своими руками:

На одной загрузке топлива пиролизные котлы работают около 4-6 часов. Так что большим и стабильно пополняемым запасом дров стоит озаботиться заранее.
- В топке разжигаются дрова до появления устойчивого пламени;
- После этого доступ кислорода перекрывается, пламя гаснет почти полностью;
- Запускается дутьевой вентилятор – в камере дожигания появляется высокотемпературное пламя.
Устройство пиролизного котла довольно простое. Основными элементами здесь являются: камера сгорания, в которой складированы дрова, и камера дожигания, в которой сгорают продукты пиролиза. Передача тепла в отопительную систему осуществляется через теплообменник
В схеме пиролизного котла ему уделяется особое внимание
Все дело в том, что теплообменники в пиролизных котлах, собранных своими руками, устроены не так, как в газовом оборудовании. Продукты сгорания с воздухом проходят здесь через множество металлических труб, омываемых водой. Для увеличения эффективности котловая вода омывает не только сам теплообменник, но и все другие узлы – здесь создается своего рода водяная рубашка, которая отбирает излишки тепла от раскаленных элементов котельного агрегата.
Как устроен самодельный котел длительного горения
Принцип работы
Схема работы таких котлов основывается на особенности твердого топлива тлеть несколько часов, производя при этом большое количество тепловой энергии. Характерно, что топливо в таком случае сжигается более полно, а количество отходов, как следствие, заметно снижается.
Чертеж котла
Основным элементом котла является топка, где горение ограничено, а интенсивность подачи воздуха контролируется при помощи специальных приспособлений. Топливо загружается два раза в сутки большими порциями, после чего медленно тлеет (ограниченное количество кислорода не позволяет ему полноценно гореть).
Труба, посредством которой выводится дым, пропускается через теплообменники и нагревает жидкость в отопительной системе. Выходит, достаточно лишь каждые 12 часов загружать топливо для бесперебойного обогрева дома.
Схема котла
Основные преимущества
Котлы длительного горения выделяются на фоне отопительных систем других типов. Конечно, основное преимущество – это именно длительность работы, но есть и другие важные моменты:
- низкая стоимость топлива;
- автономность;
- возможность обогрева больших площадей при минимальных расходах;
- легкость монтажа и эксплуатации;
- безопасность;
возможность изготовления в домашних условиях.
Устройство прибора
Для изготовления котла удобнее использовать металлическую трубу ø30 см и больше с толщиной стенок не менее 5 мм (иначе последние в скором времени прогорят из-за высокой температуры внутри прибора). Высота конструкции может колебаться между 80 см и 100 см, все зависит от площади помещения.
Труба для корпуса
Вне зависимости от модификации котел состоит из трех основных зон:
- загрузочной зоны;
- зоны тления и теплообразования;
- зоны окончательного сжигания, где горит зола и выводятся дымные газы.
Данный элемент выполняется в виде металлического круга толщиной 5-6 мм с отверстием посередине, через которое с помощью телескопической трубы кислород подается в топку. Диаметр изделия должен быть несколько меньше диаметра корпуса. Высота регулируется посредством специальной крыльчатки.
Котел на дровах длительного горенияКотел на дровах длительного горения
Котел длительного горения
Воздух может подаваться одним из двух способов:
- прямо из атмосферы;
- из специальной камеры нагрева (она располагается в верхней части конструкции), что обеспечивает более эффективную работу котла.
Для регулировки используется специальная воздушная заслонка.
Сверху приваривается дымоотводная труба. Она должна вестись перпендикулярно корпусу минимум 0,5 м, иначе образуется чрезмерная тяга.
Снизу оборудуется дверка для удаления продуктов горения. Чистку нужно проводить нечасто, ведь топливо будет сгорать полнее.
Существует два способа нагрева теплоносителя, у каждого есть свои сильные и слабые стороны.
Котел длительного горенияКотел длительного горения
Способ №1. К трубе теплообменника, проходящей через зону сгорания, подключается змеевик, посредством которого и происходит нагрев воды в баке.
Способ №2. Формируется отдельный металлический бак, сквозь который пропускается труба дымохода. Разгоряченный дым подогревает жидкость.
Первый способ более эффективен, но вместе с тем более сложен в выполнении. Второй сделать проще, но он целесообразен только в небольших домах.
Как сделать своими руками котел твердотопливный длительного горения: чертежи
Иногда целесообразно сделать своими руками котел твердотопливный длительного горения: чертежи и схемы есть в свободном доступе. Умение обращаться с инструментом и умелые руки оказывают хорошую услугу при строительстве собственного дома или дачи.
Там всегда есть необходимость сооружения какой-либо конструкции самостоятельно. Ведь это значительно удешевляет любую затею. Не исключение и отопительные агрегаты. В старые времена люди нанимали печника для кладки кирпичных печей.
Сегодня наиболее востребованными стали котлы на твердом топливе длительного горения.
Твердотопливный котел длительного горения вполне реально сделать самостоятельно
Твердое органическое топливо является самым древним источником энергии для человечества. Отказаться от него полностью, даже в современном мире, невозможно. Тем более, что кроме дров и каменного угля сегодня появилось множество других видов горючих твердых веществ:
- брикеты из торфа – высушенный и спрессованный торф выделяет много тепла при сгорании;
- брикеты из отходов деревообрабатывающего производства – сжатые опилки, стружка и кора деревьев;
- березовый уголь – такой же, как для мангала;
- переработанный мусор со свалок;
- топливные отопительные гранулы – мелкое топливо, полученное прессованием опилок. Могут подаваться автоматически;
- обычные сухие опилки.
Различные варианты сырья для использования в твердотопливных котлах
Ясно, что все это топливо получено путем переработки различных отходов, что решает проблему утилизации на предприятиях и идет в русле «зеленой» экономики.
В результате деятельности человека образуется колоссальное количество отходов, которые могут быть преобразованы в высокоэнергетическое топливо, что и обусловило появление на рынке котлов отопления на твердом топливе длительного горения.
В отличии от обычных печей, эти агрегаты работают не на сгорании самого топлива, а на его расщеплении в результате нагревания. В рабочей камере таких котлов сгорают газообразные продукты распада твердого топлива.
Такая схема работы является в несколько раз более эффективной, чем обычное сжигание органического топлива. Пиролизный газ, отдает большое количество энергии.
Принцип работы твердотопливного котла длительного горения
Устройство такой газогенераторной установки не очень сложное. Можно даже соорудить своими руками котел твердотопливный длительного горения. Чертеж простейшего варианта выглядит следующим образом:
Медленное тление твердого топлива происходит в нижней камере. Оно достигается регулировкой подачи воздуха в поддувало. Выделяемый газ интенсивно горит в верхней камере и нагревает теплоноситель.
Схема системы отопления частного дома с использованием твердотопливного котла
Котлы на твердом топливе длительного горения могут быть незаменимы в частных домах, в хозяйственных сооружениях, гаражах и теплицах. Особенно они будут выгодны там, где имеется крупное деревоперерабатывающее производство, так как отходы на таких предприятиях отдают практически бесплатно.
Необходимы эти агрегаты и в местностях, где бывают регулярные перебои с газоснабжением. У таких установок есть много преимуществ, но существует и один важный недостаток – очень высокая стоимость. Именно поэтому сегодня актуально изготовление своими руками котлов твердотопливных длительного горения.
Чертежи для этого можно использовать разной степени сложности. Это зависит от уровня мастерства.
Как сделать своими руками котел твердотопливный длительного горения: чертежи и схемы
Перед тем, как начать изготовление котла, необходимо определиться с его конструкцией. Ее выбор зависит от назначения агрегата. Если он предназначен для отопления небольшого хозяйственного помещения, гаража или дачного домика, то делать в нем водяной контур не обязательно.
Обогрев такого помещения будет происходить непосредственно от поверхности котла, путем конвекции воздушных масс в помещении, как от печи. Для большей эффективности можно устроить принудительное обдувание агрегата воздухом при помощи вентилятора.
При наличии системы жидкостного отопления в помещении, необходимо предусмотреть устройство в котле контура в виде змеевика из трубы или другой аналогичной конструкции.
Схема подключения твердотопливного котла к системе отопления
Выбор варианта зависит и от типа твердого топлива, которое нужно будет использовать.
Для отопления обычными дровами требуется увеличенный объем топки, а для применения мелких топливных гранул можно устроить специальную емкость, из которой гранулированное топливо подается в котел автоматически.
Решение 5. Интерьер кухни: как спрятать коммуникации
Решить вопрос с маскировкой корпуса — это полдела. Коммуникации, отходящие от прибора, портят интерьер кухни не меньше, чем сам котёл. Газовые трубы, шланги для воды, громоздкий дымоход являются неотъемлемой частью агрегата и остаются на виду.
Задекорировать коммуникации можно коробом. Для этого приобретается нужного размера пластиковый или делается самостоятельно из гипсокартона. Второй способ имеет более основательную конструкцию, которую в дальнейшем можно поклеить декоративной плёнкой или обложить кафелем.
Короб из ДСП для труб и шлангов
Газовая труба обычно скрыта мебелью и видна лишь небольшая часть между полкой и рабочим столом. Это место покрывается хромированной краской или декорируется любым, выше описанным, способом.
Угловые элементы коммуникаций удачно маскируются разными способами:
- искусственными цветами;
- муляжами фруктов;
- навесными панелями;
- закрашиваются в тон интерьера.
Основные характеристики пиролизных котлов
Основными чертами котлов, работающих на технологии пиролиза являются следующие:
- Возможность изготовления из недорогих конструкционных материалов.
- Длительное время одного цикла пиролиза, достигающего около 30 часов,
- Полная взрыво и пожаро-безопасность.
- Простота конструкции, доступная для самостоятельного изготовления.
- Широкий спектр используемого древесного топлива (от классических дров до пеллет).
- Высокая экологичность котлов, низкое количество продуктов сгорания.
Как часть нужно подкидывать дровишки?
В обычную печь вам придется загружать топливо минимум через каждые два часа. Причиной этому является большая интенсивность горения топлива в печах такой конструкции. Большая часть тепла при этом в прямом смысле «вылетает в трубу». КПД таких котлов минимален, кроме того, в нем остается много остатков, которые приходится регулярно выгребать.
А вот если ограничить приток кислорода, то период горения значительно увеличивается. При этом тепло выделяется не только при самом процессе тления-пиролиза, но и от сгорания выделившихся газов. Вследствие этого время работы от одной загрузки может увеличиваться до суток и более.
Как повысить производительность котла
Самостоятельно собранный твердотопливный котел, как правило, отличается существенными теплопотерями, связанными с уходом тепла в дымовую трубу. Причем чем прямее и выше дымоход, тем больше теряется тепла. Выходом из положения в данном случае будет создание, так называемого, отопительного щита, то есть дымохода изогнутой формы, который позволяет передать больше тепловой энергии кирпичной кладке. Кирпич, в свою очередь, будет отдавать тепло воздуху в помещении, обогревая его. Нередко такие ходы устраивают в стенах между комнатами. Однако подобный подход осуществим только, если котел расположен в подвале или на цокольном этаже, либо при условии постройки громоздкого многоступенчатого дымохода.
Как вариант, повысить эффективность котла можно, если вокруг дымовой трубы смонтировать водонагреватель. В данном случае тепло уходящих газов будет нагревать стенки дымохода, и передаваться воде. Для этих целей дымоход можно сделать из более тонкой трубы, которую встроить в трубу большего сечения.

Наиболее эффективным способом повысить КПД твердотопливного котла будет установка циркуляционного насоса, принудительно перекачивающего воду. Это позволит повысить производительность установки примерно на 20-30 %.
Безусловно, сконструировать котел нужно так, чтобы теплоноситель мог циркулировать самостоятельно, если в доме отключили электричество. А при его наличии насос позволит ускорить прогрев дома до комфортных температур.
Изготовление пиролизного котла
Эффективность этого вида установок на дровах стала причиной их популярности у мастеров, которые могут изготавливать твердотопливные котлы пиролизного типа собственными силами из имеющихся материалов. Процесс этот достаточно трудоемкий и требующий навыков выполнения слесарных и сварочных работ, некоторого минимума инструментов и оборудования:
- аппарат для электросварки;
- угловая шлифовальная машина;
- дрель электрическая;
- набор слесарных инструментов.
Если имеются навыки, инструменты и большое желание, то можно изготовить агрегат, используя следующий чертеж пиролизного котла на естественной тяге:
1 – воздушный канал; 2 – дверца для загрузки топлива; 3 – дверца вторичной камеры; 4 – заслонка прямой тяги; 5 – первичная камера; 6 – верхняя крышка; 7 – входной канал для подачи воздуха; 8 – воздушная заслонка; 9 – патрубок для группы безопасности; 10 – вторичная камера дожигания; 11 – патрубок присоединения дымохода; 12 – форсунка; 13 – жаротрубный теплообменник.
Материалом для изготовления камер может служить жаропрочная легированная сталь, но это дорогой материал, поэтому мастера берут простую углеродистую сталь толщиной 5 мм. Для защиты ее от высокой температуры в нижней части топки выполняется футеровка пиролизного котла огнеупорным кирпичом. Им же нужно защитить днище вторичной камеры, куда направлен факел пламени. Для обшивки водяной рубашки применяется листовой металл толщиной 3 мм, его приваривают к ребрам жесткости из полосовой стали. Из такого же металла изготавливают дверцы, крышку и обрамление проемов.
Передачу тепла от дымовых газов устройство котла предусматривает через жаротрубный теплообменник, находящийся внутри водяной рубашки. Для его изготовления подойдут бесшовные стальные трубы из углеродистой стали наружным диаметров 48 или 57 мм. Количество труб следует подобрать по необходимой площади поверхности теплообмена, для чего выполняется расчет пиролизного котла.
Учитывая, что топливо в пиролизных агрегатах горит долго (до 12 часов) и продуктивно, некоторые владельцы классических установок прямого горения задумываются о том, можно ли их модернизировать. Такая переделка твердотопливного котла в пиролизный возможна, но при условии, что топка агрегата сделана из металла, а не чугуна. Колосниковая решетка убирается и с помощью электросварки на ее месте закрепляется перегородка, разделяющая главную топку и зольник, который будет выполнять роль вторичной камеры. Между ними устанавливается форсунка. Кроме этого, понадобится организовать подачу воздуха в обе камеры, надо изготовить воздушные каналы и установить их, как показано на чертеже.
Как правило, переделка котла в пиролизный происходит не на заводских агрегатах, а на самодельных, это расширяет возможности для усовершенствования конструкции. Можно менять проходное сечение форсунки, размеры обеих камер или площади поверхностного теплообмена, добиваясь наилучших показателей длительности горения и повышения КПД установки.
Определение с параметрами проекта
Точного определения данному понятию нет. Соответствующее оборудование появилось, как ответ на требования потребителей повысить уровень комфорта в процессе эксплуатации, увеличить выработку тепла в расчете на единицу использованных энергетических ресурсов.
Основным недостатком классических котлов является необходимость регулярного добавления топлива в топку. Сложности создают также следующие факторы:
- высокая интенсивность горения;
- сложность оперативной регулировки и контроля этого процесса;
- неполное использование тепла, которое удаляется вместе с дымом через систему вентиляции.

Для поддержания работы обычного котла лучше иметь рядом достаточный запас дров
Разные конструкции
Для решения отмеченных выше задач используют различные решения. Чтобы не закладывать часто новые порции топлива увеличивают размеры топки. Сделать процесс горения равномерным помогает размещение сверху прижимного устройства, дозированная подача воздуха.

Схема типичного котла этого класса
Создать чертежи твердотопливных котлов длительного горения своими руками будет проще после подробного изучения стандартной конструкции:
- В начальном положении прижимное устройство (10) находится в верхнем положении.
- Через дверцу (6) в топку загружают крупную партию дров.
- После поджигания происходит регулируемый механическим приводом (16) процесс горения.
- Свежий воздух подается нагнетателем через телескопическую полую внутри штангу. Он распределяется равномерно через прижимной диск (10).
- Подача кислорода сверху обеспечивает постепенное сгорание топлива, слоями.
- Золу после завершения цикла удаляют через нижнюю дверцу (13).
- Для поднятия диска (10) в верхнее положение используют лебедку (2) с электроприводом.
Недостатком данной конструкции является невозможность произвольной закладки дров в топку. Существенное преимущество – повышенная до 24 часов и более длительность одного рабочего цикла.
В следующей конструкции топливо можно подкладывать по мере необходимости. Здесь использована технология пиролиза. Она характерна дозированной подачей кислорода и низкой интенсивностью горения. Тлеющие дрова выделяют горючий газ. Он сгорает в дополнительной камере.

Пиролизный котел
Эта установка полноценно использует топливо. В продуктах сгорания содержится минимальное количество сажи. Сложной является оптимальная регулировка рабочих процессов.
Газовые и дизельные агрегаты лишены упомянутых недостатков по причине простоты дозирования соответствующих видов топлива. Подобный результат можно получить, если использовать специальным образом спрессованные гранулы из отходов деревообработки, шелухи семечек, иного горючего сырья.

Пеллетный котел
В данном варианте гранулы (пеллеты) засыпают в бункер, откуда они подаются шнековым механизмом в топку. Понятно, что такая конструкция позволяет при необходимости быстро увеличивать и уменьшать подачу топлива. Гибкое изменение производительности котла пригодится для оптимизации работы при изменении внешней температуры, подключении дополнительных потребителей. С гранулами не слишком сложно работать при транспортировке, хранении.

Теплообменник для подогрева воды
Повышают эффективность котлов с помощью сложных структур выходных узлов. В таких конструкциях повышается температура теплоносителя. Аналогичные функции выполняют полые стенки корпуса.
Чертежи твердотопливных котлов длительного горения своими руками
Прежде чем искать соответствующую документацию, необходимо точнее определиться с конструкцией. Предпочтительной является первая схема твердотопливного котла длительного горения, своими руками ее будет создать проще.

Принципиальная схема котла
Для отопления сравнительно небольшого частного дома с общей площадью 150-250 м. кв. достаточно будет следующих размеров:

Чертежи твердотопливных котлов длительного горения своими руками
При высоте чуть более 1,5 метра и ширине около 40 см не сложно будет найти подходящее место для установки. Но надо учитывать необходимость создания технологических проходов для обслуживания. Понадобится свободное пространство сверху для монтажа лебедки и другого оборудования.

Конструкторскую документацию можно создать без соблюдения стандартов
Для реализации частных проектов не обязательно соблюдению ГОСТов. Но чем подробнее получился чертеж твердотопливного котла длительного горения своими руками, тем проще будет исключить ошибки на ранних стадиях.

При удалении большого количества ржавчины перед окраской может понадобиться респиратор
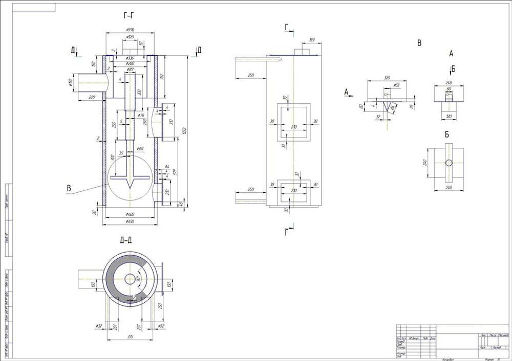
Твердотопливный котел сверхдлительного горения своими руками
Самодельный отопитель будет иметь такую конструкцию:
- Топка – «коробка» глубиной 460 мм, шириной 360 мм и высотой 750 мм с общим объемом 112 л. Объем топливной загрузки для такой камеры сгорания составляет 83 л (весь объем топки заполнять нельзя), Что позволит котлу развивать мощность до 22 – 24 кВт.
- Днище топки – решетка из уголка, на которую будут укладываться дрова (через нее в камеру будет поступать воздух).
- Под решеткой должен быть отсек высотой 150 мм для сбора золы.
- Теплообменник объемом 50 л большей частью расположен над топкой, но нижняя его часть охватывает ее с 3-х сторон в виде водяной рубашки толщиной 20 мм.
- Подсоединенная к верхней части топки вертикальная дымоотводящая труба и горизонтальные жаровые трубы располагаются внутри теплообменника.
- Топка и зольник закрыты герметичными дверцами, а забор воздуха осуществляется через трубу, в которой установлен вентилятор и гравитационная заслонка. Как только вентилятор выключается, заслонка под собственным весом опускается и полностью перекрывает воздухозаборник. Как только термодатчик зафиксирует снижение температуры теплоносителя до заданного пользователем уровня, контроллер включит вентилятор, поток воздуха откроет заслонку и в топке разгорится огонь. Периодическое «отключение»котла в сочетании с увеличенным объемом топки позволяет продлить работу на одной загрузке топлива до 10 – 12 часов на дровах и до 24-х часов на угле. Хорошо зарекомендовала себя автоматика польской компании KG Elektronik: контроллер с термодатчиком – модель SP-05, вентилятор – модель DP-02.
твердотопливный котел сверхдлительного горения своими руками
Процесс изготовления котла своими руками.
Первым делом надо подготовить все необходимые заготовки:
- Стальные листы толщиной 4 – 5 мм для изготовления топки. Наилучшим образом подходит легированная сталь жаропрочных марок 12Х1МФ или 12ХМ (с добавками хрома и молибдена), но варить ее нужно в среде аргона, поэтому понадобятся услуги профессионального сварщика. Если же вы решите сделать топку из конструкционной стали (без легирующих добавок), то следует применять низкоуглеродистые марки, например, Сталь 20, так как высокоуглеродистые от воздействия высокой температуры могут утратить пластичность (происходит их закалка).
- Тонколистовая сталь толщиной 0,3 – 0,5 мм, окрашенная полимерным составом (декоративная обшивка).
- 4-миллиметровые листы конструкционной стали для корпуса.
- Труба Ду50 (жаровые трубы внутри теплообменника и патрубки для подключения отопительной системы).
- Труба Ду150 (патрубок для присоединения дымохода).
- Труба прямоугольная 60х40 (воздухозаборник).
- Стальная полоса 20х3 мм.
- Базальтовая вата толщиной 20 мм (плотность – 100 кг/куб. м).
- Асбестовый шнур для герметизации проемов.
- Ручки для дверок заводского изготовления.
Как правильно подключить прибор к отопительной сети
В описанной конструкции чаще используют принудительную схему обвязки посредством двух патрубков. Первый подключают к подающему контуру, а второй — к обратному.

Порядок действий выглядит следующим образом:
- Оба патрубка обвязывают льняной паклей. Обмотку покрывают герметиком.
- Сверху устанавливают уголок, прикручивают бочонок с ниппелем.
- Все детали плотно стыкуют и подключают к крану, участки с резьбой обрабатывают герметиком.
- Водяной контур подсоединяют к трубам для циркуляции теплоносителя посредством муфты и гайки.
Перед запуском отопительной системы выполняют тестовую проверку, чтобы убедиться в отсутствии протечек.





































